EasyManua.ls Logo

Sony SLV-SE85 - Power Block Srv879 Ek

Sony SLV-SE85
118 pages
Print Icon
To Next Page IconTo Next Page
To Next Page IconTo Next Page
To Previous Page IconTo Previous Page
To Previous Page IconTo Previous Page
Loading...
SLV-SE85/SF90/SF99
4-47 4-48
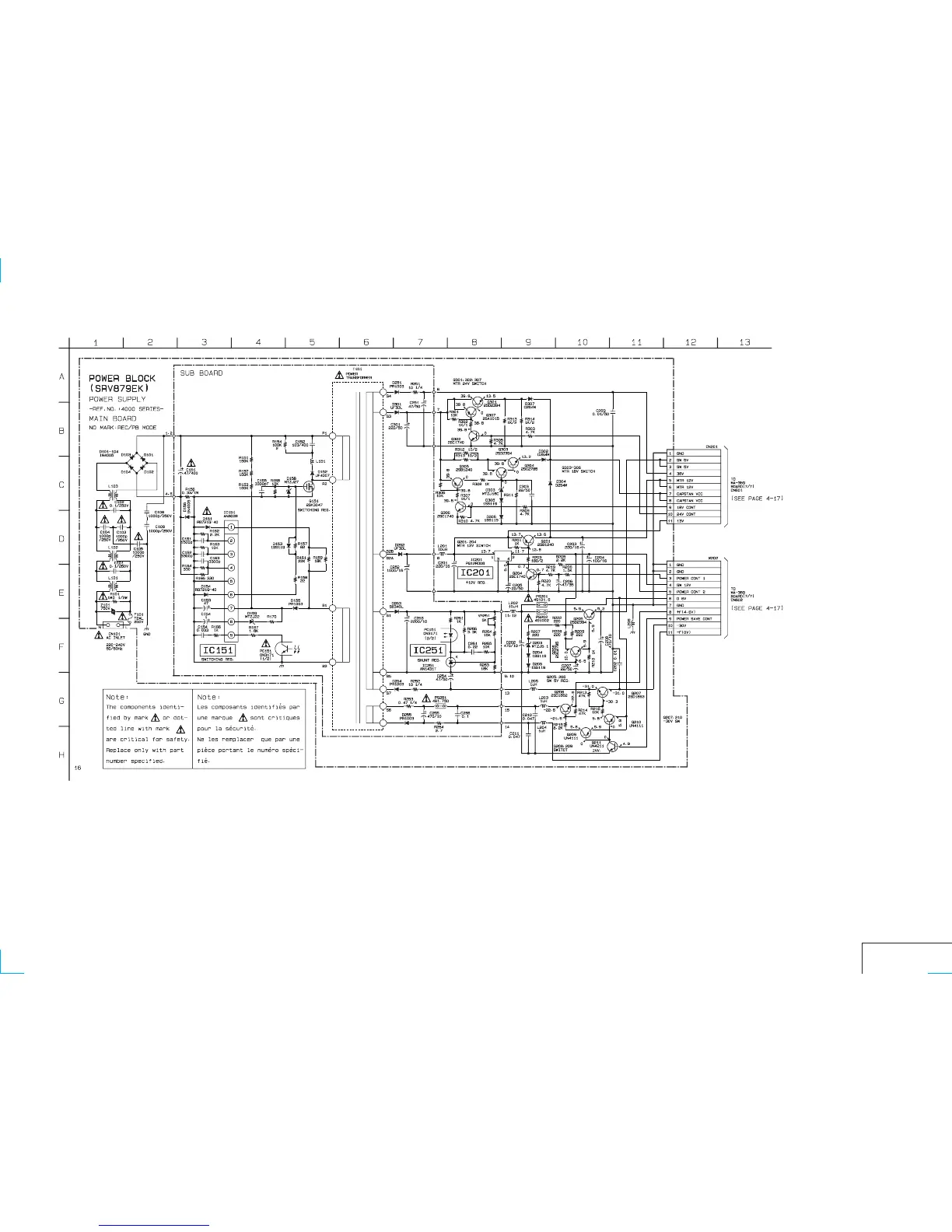
POWER BLOCK
SRV879EK

Table of Contents

Related product manuals