EasyManua.ls Logo

Sony SLV-SE85 - Other Major Board Schematics

Sony SLV-SE85
118 pages
Print Icon
To Next Page IconTo Next Page
To Next Page IconTo Next Page
To Previous Page IconTo Previous Page
To Previous Page IconTo Previous Page
Loading...
SLV-SE85/SF90/SF99
4-27 4-28
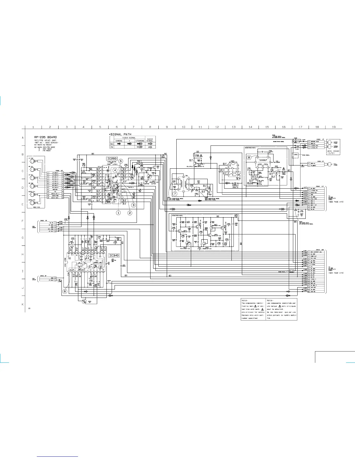
REC/PB HEAD AMP
RP-235
For schematic diagram
Refer to page 4-23 for waveforms.

Table of Contents

Related product manuals