EasyManua.ls Logo

Sony STR-DA333ES - Schematic Diagram - Main Section (2;3)

Sony STR-DA333ES
66 pages
Print Icon
To Next Page IconTo Next Page
To Next Page IconTo Next Page
To Previous Page IconTo Previous Page
To Previous Page IconTo Previous Page
Loading...
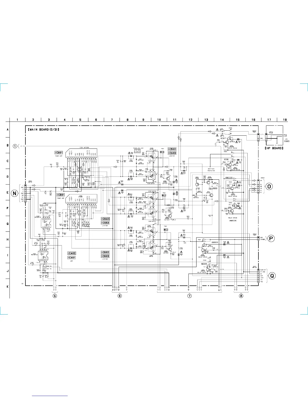
STR-DA333ES/DA555ES
– 31 – – 32 –
5-9. SCHEMATIC DIAGRAM – MAIN (2/3) SECTION –
• See page 27 for Printed Wiring Board.
• See page 61 for IC Block Diagrams.
(Page
35)
(Page
30)
(Page 34)(Page 34)(Page 34)(Page 33)
(Page
48)
(Page
48)
(Page
48)

Related product manuals