EasyManua.ls Logo

Sony STR-DA333ES - Printed Wiring Board - Audio Section; Schematic Diagram - Audio Section

Sony STR-DA333ES
66 pages
Print Icon
To Next Page IconTo Next Page
To Next Page IconTo Next Page
To Previous Page IconTo Previous Page
To Previous Page IconTo Previous Page
Loading...
STR-DA333ES/DA555ES
– 51 – – 52 –
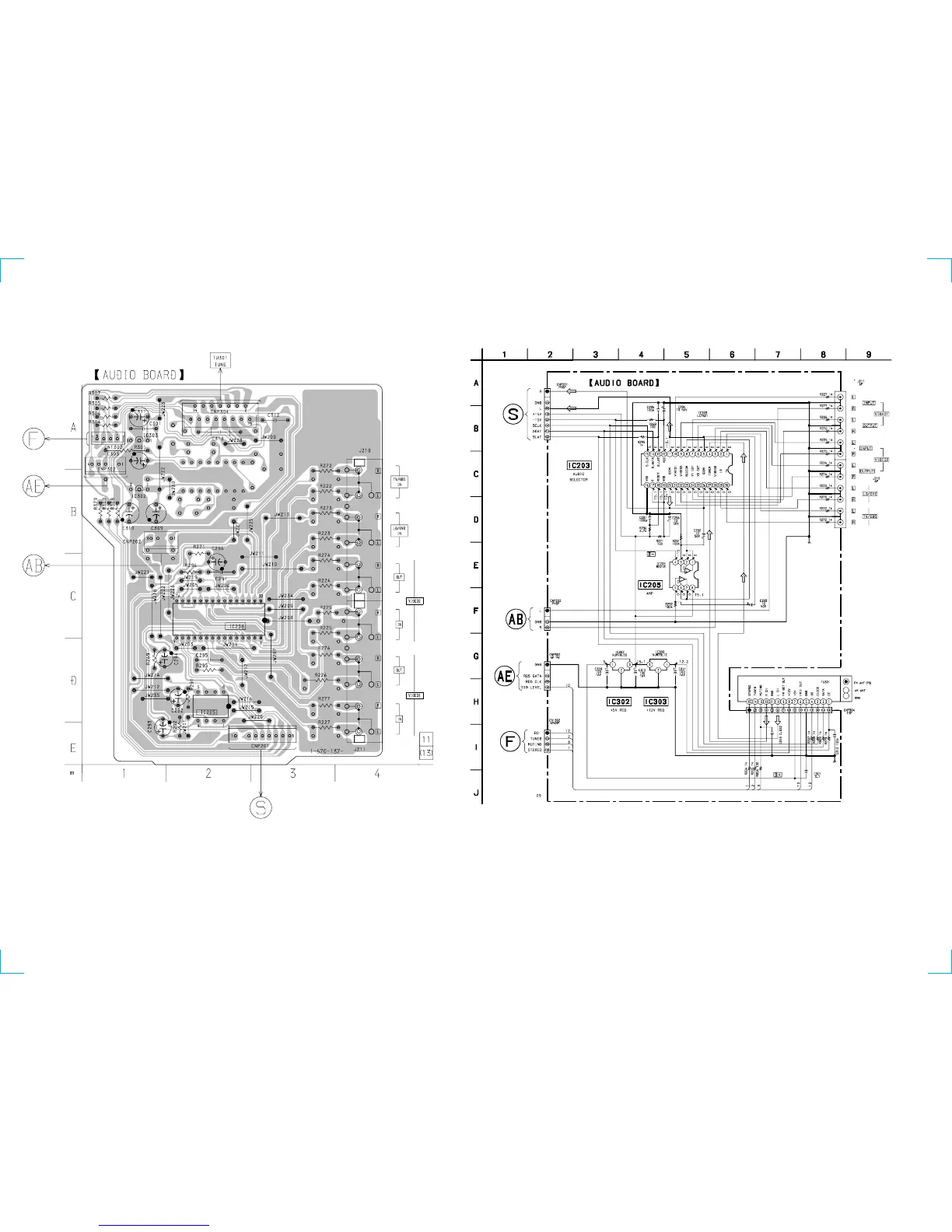
5-19. PRINTED WIRING BOARD – AUDIO SECTION –
• See page 17 for Circuit Boards Location.
(Page 42)
(Page 46)
(Page 25)
(Page 28)
5-20. SCHEMATIC DIAGRAM – AUDIO SECTION –
• See page 61 for IC Block Diagrams.
(Page 22)
(Page 44)
(Page 40)
(Page 33)

Related product manuals