EasyManua.ls Logo

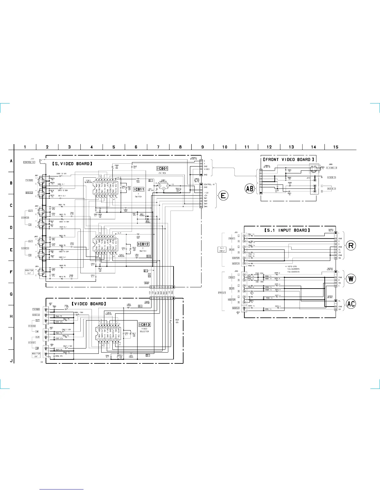
Sony STR-DA333ES - Schematic Diagram - Video Section

Sony STR-DA333ES
66 pages
Print Icon
To Next Page IconTo Next Page
To Next Page IconTo Next Page
To Previous Page IconTo Previous Page
To Previous Page IconTo Previous Page
Loading...
STR-DA333ES/DA555ES
– 39 –
– 40 –
5-13. SCHEMATIC DIAGRAM – VIDEO SECTION –
• See page 62 for IC Block Diagrams.
(Page 22)
(Page 52)
(Page
33)
(Page
34)
(Page
48)

Related product manuals