EasyManua.ls Logo

Sony STR-DA333ES - Schematic Diagram - Speaker Section

Sony STR-DA333ES
66 pages
Print Icon
To Next Page IconTo Next Page
To Next Page IconTo Next Page
To Previous Page IconTo Previous Page
To Previous Page IconTo Previous Page
Loading...
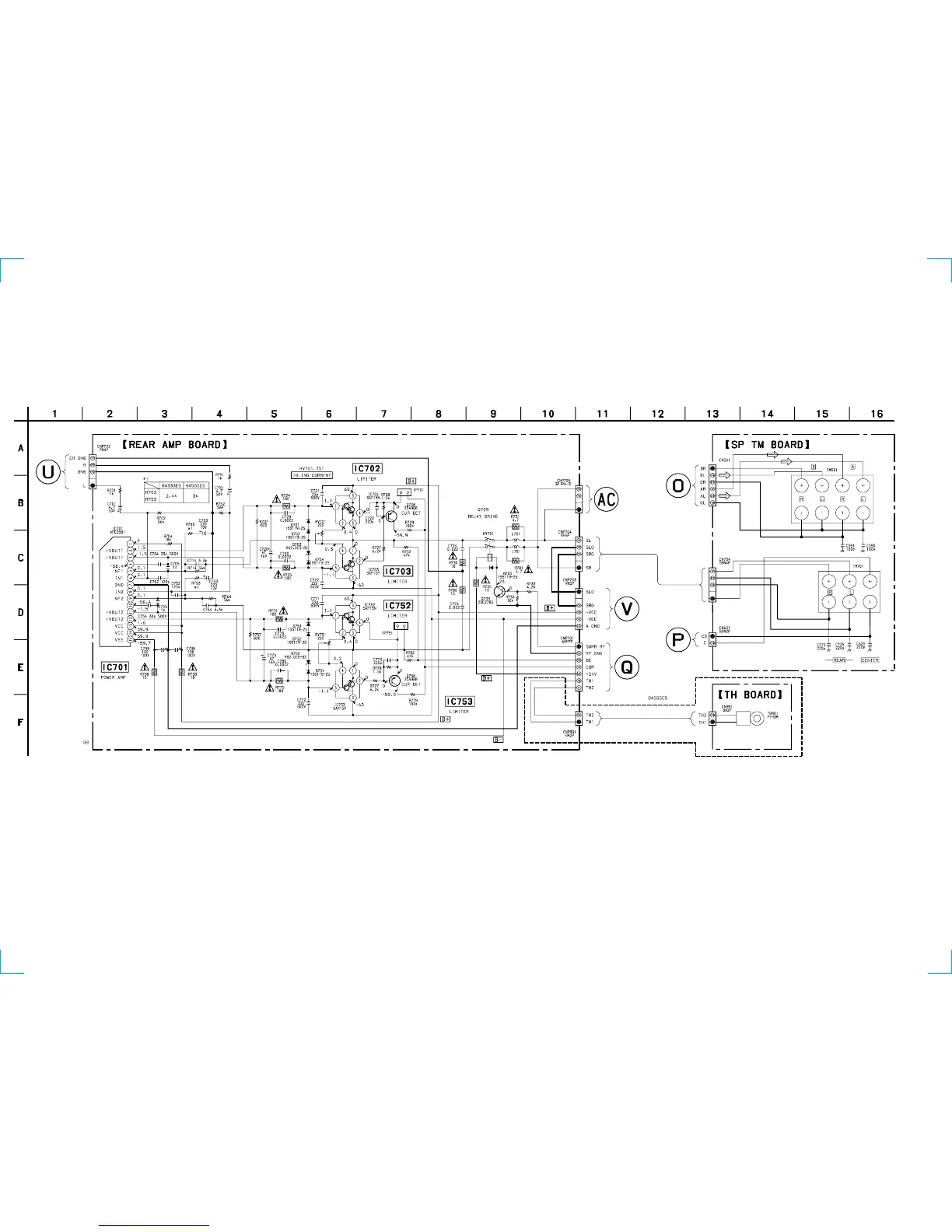
STR-DA333ES/DA555ES
5-17. SCHEMATIC DIAGRAM – SPEAKER SECTION –
• See page 61 for IC Block Diagrams.
– 47 –
– 48 –
(Page 34)
(Page 40)
(Page 34)
(Page 32)
(Page 32)
(Page 32)

Related product manuals