EasyManua.ls Logo

Sony STR-DA5400ES - Schematic Diagram - DISPLAY Board

Sony STR-DA5400ES
218 pages
Print Icon
To Next Page IconTo Next Page
To Next Page IconTo Next Page
To Previous Page IconTo Previous Page
To Previous Page IconTo Previous Page
Loading...
STR-DA5400ES
STR-DA5400ES
105105
(1/2)
CN2520
BOARD
BP
CONTROL
(1/2)
CN2519
BOARD
BN
CONTROL
(1/2)
CN2516
BOARD
BM
CONTROL
BS
BV
CN2
BOARD
AC SW
CN723
BOARD
VIDEO 3
CN715
BOARD
BW
KEY1
CN712
BOARD
BX
MAIN VOL
CN722
BOARD
BR
VIDEO 3
CN718
BOARD
BT
MIC
IC B/D
CN726
BOARD
BU
SPSW
0
0.3
0.2
11. 8
1
1.9
4.9
3.3
1.9
0
-0.5
0
3
3
2.6
15
3.6
0
-0.5
11.8
0
0
2.5
0.3
1
2.5
0
5
4.9
2.6
3.3
3.2
3.3
0 0 0.2 0.2
0.2
0
0
0
0.2
0
4.9
4.9
50V
10
C708
0.1
C707
0.1
C714
0.1
C716
10
R706
Q701,709 - 711
100
R709
100R710
100
R711
100
R712
100
R713
100
R714
100
R715
100
R716
100
R717
100
R718
330
R719
1k
R724
1k
R730
1k
ROTARY
ENCODER
INPUT
SELECTOR
ROTARY
ENCODER
ROTARY
ENCODER
R736
2.2k
R723
2.2k
R728
2.2k
R729
4.7k
R727
10k
R726
22k
R725
2.2
R708
MA2J1130
D704
MA2J1130
D705
MA2J1130
D706
MA2J1130
D707
D702
SELS5B23C-TP15
S701
S702
S703
S704
S705
S706
S707
S708
S709
S710
TONE
MODE
TUNING
MODE
S712
S711
Q706
OSC
OSC
S713
S714
2SD1624T-TD-E
Q705
2SD1624T-TD-E
S715
2.2k
R748
100p
C747
FB701
2.2k
R753
10k
R741
2200p
C749
2200p
C743
220k
LINE AMP
R750
1k
R749
2.2
R707
68k
R751
141312111098
7
2
3
1
3
2
1
654321
NJM2173AV(TE2)
IC703
OUT1
DCC1
IN1
V+1
REG
N
GND
V+
STBY
GV
V+2
IN2
DCC2
OUT2
2SC2712-GL-TE85L
Q708
10k
R737
2200p
C727
10k
R740
2200p
C728
2200p
C750
I
G
O
BA33BC0FP-E2
IC702
0.1
C746
0.1
C719
0.1
C721
0.1
C735
0.1
C751
4
1
3
CN709
4P
L
GND
2
NC
R
5.6k
R731
25V
100
C712
L701
100uH
C713
200V
3900p
27k
R734
50V
1
C733
16V
47
C701
16V
47
C706
16V
47
C726
16V
47
C725
2356
87110
4
9
T701
INVERTER TRANSFORMER
50V
10
C730
50V
10
C732
50V
10
C722
50V
10
C729
50V
10
C731
50V
10
C739
50V
10
C740
50V
10
C745
G
R
D701
SML72423C-TP15
100
R757
10k
R759
R703
0
2
3
2
1
3
2
1
3
1
R705
0
2SC2712-GL-TE85L
Q710
1k
R733
1k
R735
2SA1162-YG-TE85L
Q711
2.2k
R772
1
2
3
CN703
3P
AD1
ADGND
AD1
FB702
1
2
3
4
5
6
7
8
8P
CN706
MIC ROUT
GND
MIC LOUT
GND
AD-GND
H.P
GND
+15V
470
R758
330
R701
C704
100p
D703
SELT5E23C-S TP15
1
3
4
5
6
CN708
6P
V3.OPT
DGND
D3.3V
POW SW IN
POW SW OUT
1
3
4
5
6
7
8
9
10
11
12
13
14
14P
CN701
DD_+12V
DD_GND
FL_GND
ZONE2/3_POW
STB_GND
STB_GND
STB_3.3V
STB_5V
LED_DCS
LED_MLT
LED_MLT-DIM
LED_STB
SIRCS
1
15
3
4
5
6
7
8
9
10
11
12
13
14
16
16P
CN710
VOL2
DGND
VOL1
FUNC2
FUNC1
TUNE2
TUNE1
TONE2
TONE1
HP_IN
SP.SW-B
SP.SW-A
POW-SW_DET
D3.3V
V3.OPT
RT1N141C-TP-1
Q701
RT1N141C-TP-1
Q709
VCC
OUT
GND
NJL24H400A
IC701
50V
C715
100
16V
47
C734
16V
47
C718
16V
47
C724
150
R721
MAZ8068GMLS0D708
100
R720
RT1N141C-TP-1
Q702
RT1N141C-TP-1
Q704
RT1N141C-TP-1
LED DRIVE
LED DRIVE
LED DRIVE
LED DRIVE
Q703
MA2J1110
D710
1k
R754
178
9101112
55 56 57 58 59 60 61 62
66
56
F1
F2
ND701
0.1
C754
1
3
4
5
CN705
5P
VOL2
VOL1
ADGND
STB+3.3V
1
3
4
5
6
7
8
9
10
CN702
10P
CN704
4P
FL_BLK
FL_LAT
FL_CLK
FL_DATA
MIC
AD1
AD2
AD3
AGND
TUN+/-2
TUN+/-1
TONE+/-2
TONE+/-1
TONE
TUNING
TUN+/-2
TUN+/-1
TONE+/-2
TONE+/-1
FLUORESCENT INDICATOR TUBE
50V
10
C737
2.2k
R752
2200p
C742
50V
10
C741
68k
R746
MA2J1110
D709
100p
C748
220k
LINE AMP
R745
1k
R744
2SC2712-GL-TE85L
Q707
2.2k
R743
10k
R738
1
4
3
2
SP-A
STB-3.3V
SP-B
STB-GND
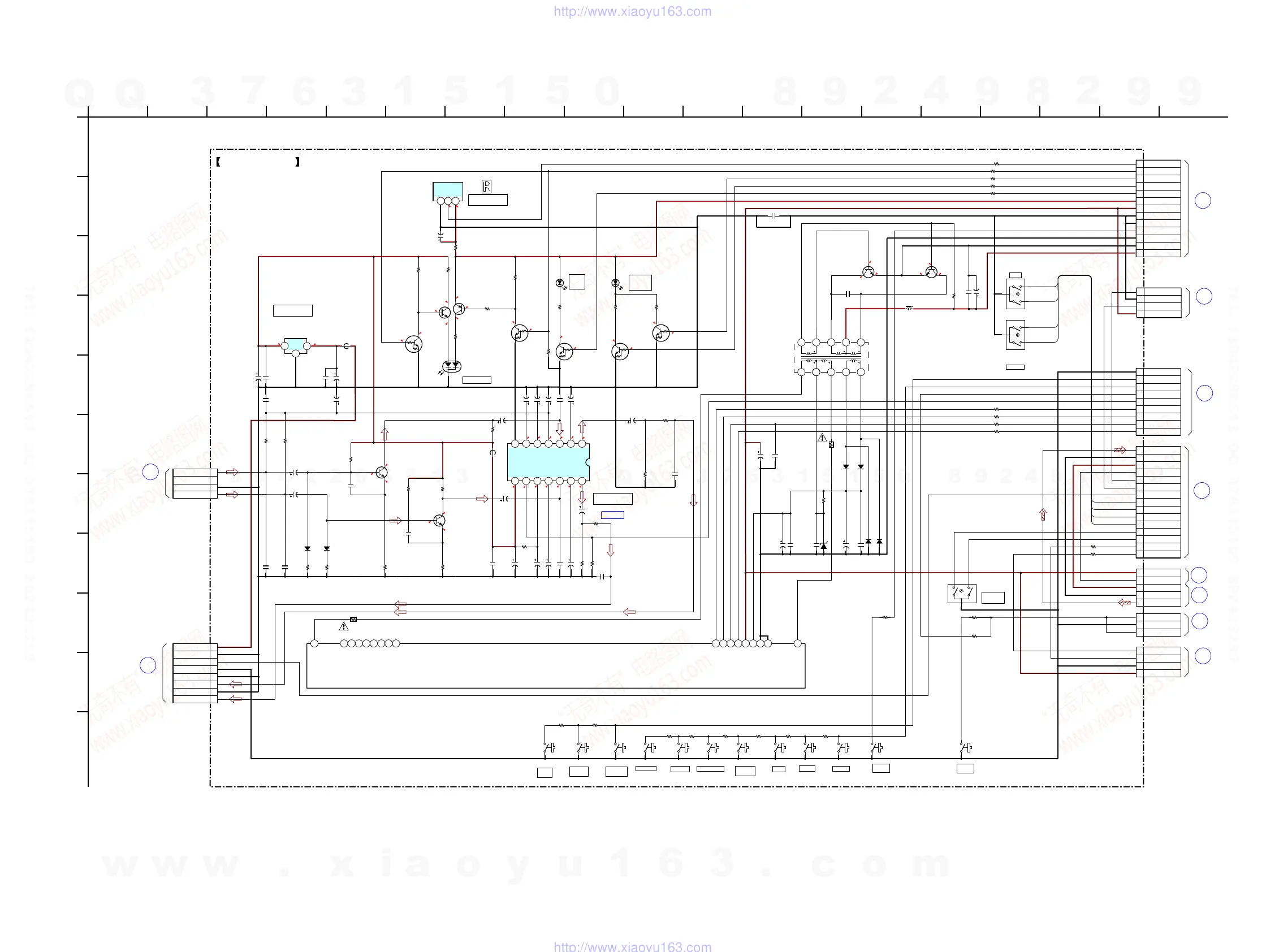
DISPLAY BOARD
IC703
MIC AMP
IC701
REMOTE CONTROL
RECEIVER(FRONT)
IC702
+3.3V REGULATOR
MULTI
CHANNEL
DECODING
Digital
Cinema
Sound
ZONE
SELECT
ZONE
POWER
MEMORY/
ENTER
INPUT MODE
2CH/
A.DIRECT
DIMMER
DISPLAY
A.F.D.
MOVIE
MUSIC
A
18
H
191711
J
G
5
D
4 12
B
14
C
15 1626
I
E
K
9783
F
10 131
ON/STANDBY
50V
10
C723
1k
R755
6-82. SCHEMATIC DIAGRAM - DISPLAY Board -
• See page 112 for IC Block Diagrams.
(Page 106)
(Page 97)
(Page 102)
(Page 106)
(Page 102)
(Page 102)
(Page 111)
(Page
106)
(Page 106)
(Page 97)
w
w
w
.
x
i
a
o
y
u
1
6
3
.
c
o
m
Q
Q
3
7
6
3
1
5
1
5
0
9
9
2
8
9
4
2
9
8
T
E
L
1
3
9
4
2
2
9
6
5
1
3
9
9
2
8
9
4
2
9
8
0
5
1
5
1
3
6
7
3
Q
Q
TEL 13942296513 QQ 376315150 892498299
TEL 13942296513 QQ 376315150 892498299
http://www.xiaoyu163.com
http://www.xiaoyu163.com

Table of Contents

Other manuals for Sony STR-DA5400ES

Related product manuals