EasyManua.ls Logo

Sony STR-DA5400ES - Schematic Diagram - CIS Board

Sony STR-DA5400ES
218 pages
Print Icon
To Next Page IconTo Next Page
To Next Page IconTo Next Page
To Previous Page IconTo Previous Page
To Previous Page IconTo Previous Page
Loading...
STR-DA5400ES
STR-DA5400ES
9898
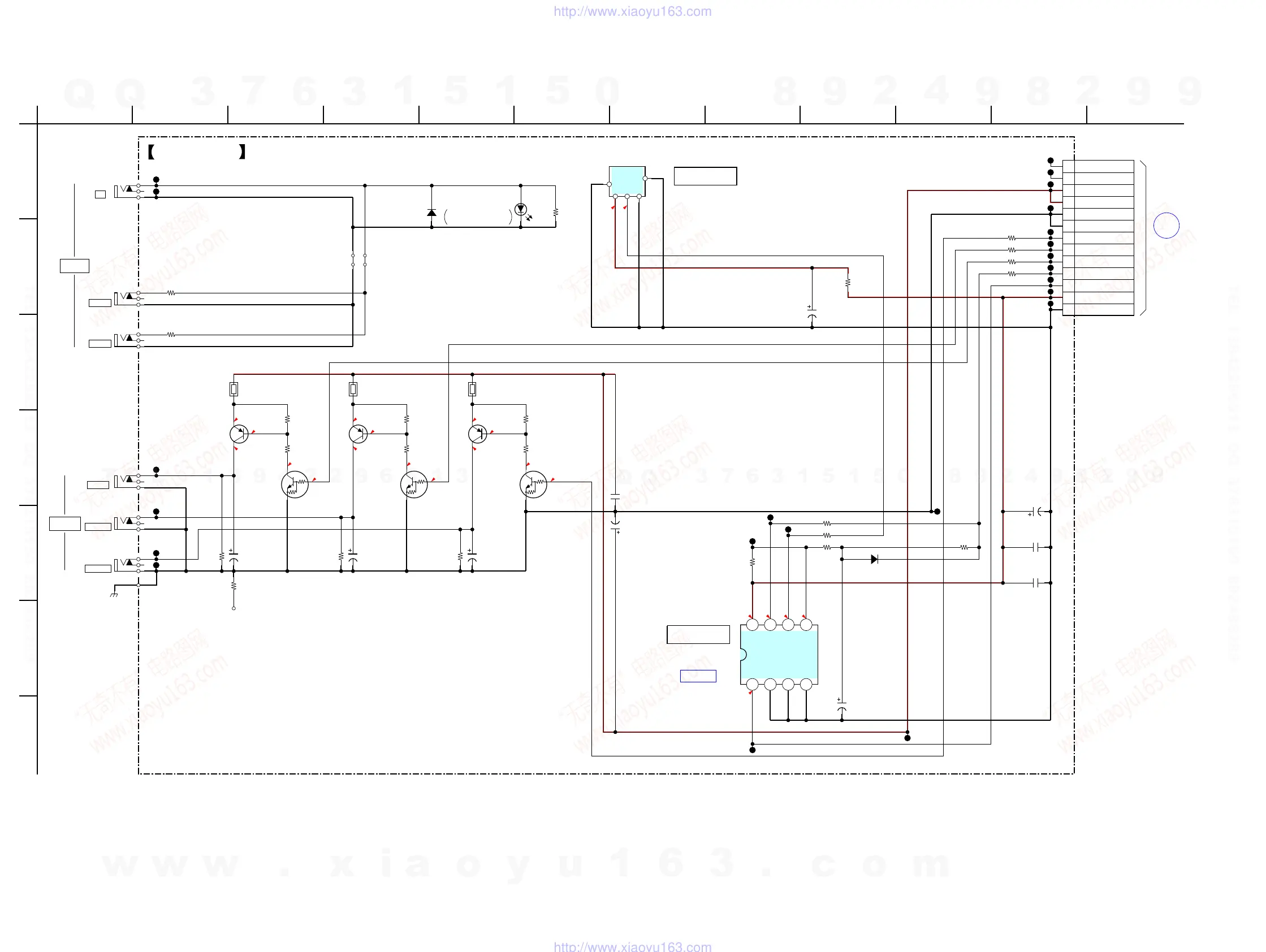
6-73. SCHEMATIC DIAGRAM - CIS Board -
BQ
CN2510
CONTROL
BOARD
(2/2)
4.8
4.7
4.7
4.8
4.8
4.7
4.8
0
11.7
11.7
11.7
0
0
11.7
11.7
11.7
0
0
11.7
11.7
11.7
0
SID307BRTP19
D802
50V
2.2
C803
RT1N141C-TP-1
Q822
TH821
50V
1
C821
JL801
JL802
JL804
JL805
JL806
JL807
JL808
JL809
JL810
JL811
JL812
JL813
JL815
JL821
JL822
JL823
JL825
JL826
JL824
TH831
50V
1
C831
RT1N141C-TP-1
Q832
50V
1
C841
TH841
RT1N141C-TP-1
BUFFER
BUFFER
BUFFER
Q842
JL814
10k
R801
10
R802
100k
R803
10k
R804
100k
R805
0.1
C802
100R807
100R825
100R835
100R845
10k
R842
10k
R844
10k
R832
10k
R834
10k
R822
10k
R824
2.2k
R823
2.2k
R833
2.2k
R843
0.1
C852
8765
4321
TC7W53F(TE12R)
IC802
COM
INH
VEE
GND A
CH1
CH0
VCC
JL820
KTA1271Y-AT
Q841
KTA1271Y-AT
Q831
KTA1271Y-AT
BUFFER
BUFFER
BUFFER
Q821
J801
J803
J821
J831
100R808
100R806
JW701
VCC
OUT
GND
NJL23H400A
IC806
123
4
5
MA2J1110GLS0
D803
MA2J1110GLS0
D801
JW702
C805
0.1
10V
220
C801
16V
1000
C851
16V
47
C804
JL817
JL816
1
2
3
4
5
6
7
8
9
10
11
12
13
13P
CN807
IR OUT SW
SIRCS(LEARNING)
TRIG 12V
TRIG 12V
TRIG GND
TRIG GND
TRIG 3
TRIG 2
TRIG 1
SIRCS OUT
SIRCS IN
STB 5V
STB GND
10
R811
10
R812
IC802
SIRCS SELECT
IC806
REMOTE CONTROL
RECEIVER (REAR)
CIS BOARD
IN
OUT 2
J802
OUT 1
IR
REMOTE
TRIGGER
OUT
MAIN
ZONE 2
J841
ZONE 3
(CHASSIS)
A802
0
R809
IC B/D
TRANSMITTER
REMOTE CONTROL
4
B
6911
D
1035 12
C
F
1
E
8
G
A
27
(Page 103)
w
w
w
.
x
i
a
o
y
u
1
6
3
.
c
o
m
Q
Q
3
7
6
3
1
5
1
5
0
9
9
2
8
9
4
2
9
8
T
E
L
1
3
9
4
2
2
9
6
5
1
3
9
9
2
8
9
4
2
9
8
0
5
1
5
1
3
6
7
3
Q
Q
TEL 13942296513 QQ 376315150 892498299
TEL 13942296513 QQ 376315150 892498299
http://www.xiaoyu163.com
http://www.xiaoyu163.com

Table of Contents

Other manuals for Sony STR-DA5400ES

Related product manuals