EasyManua.ls Logo

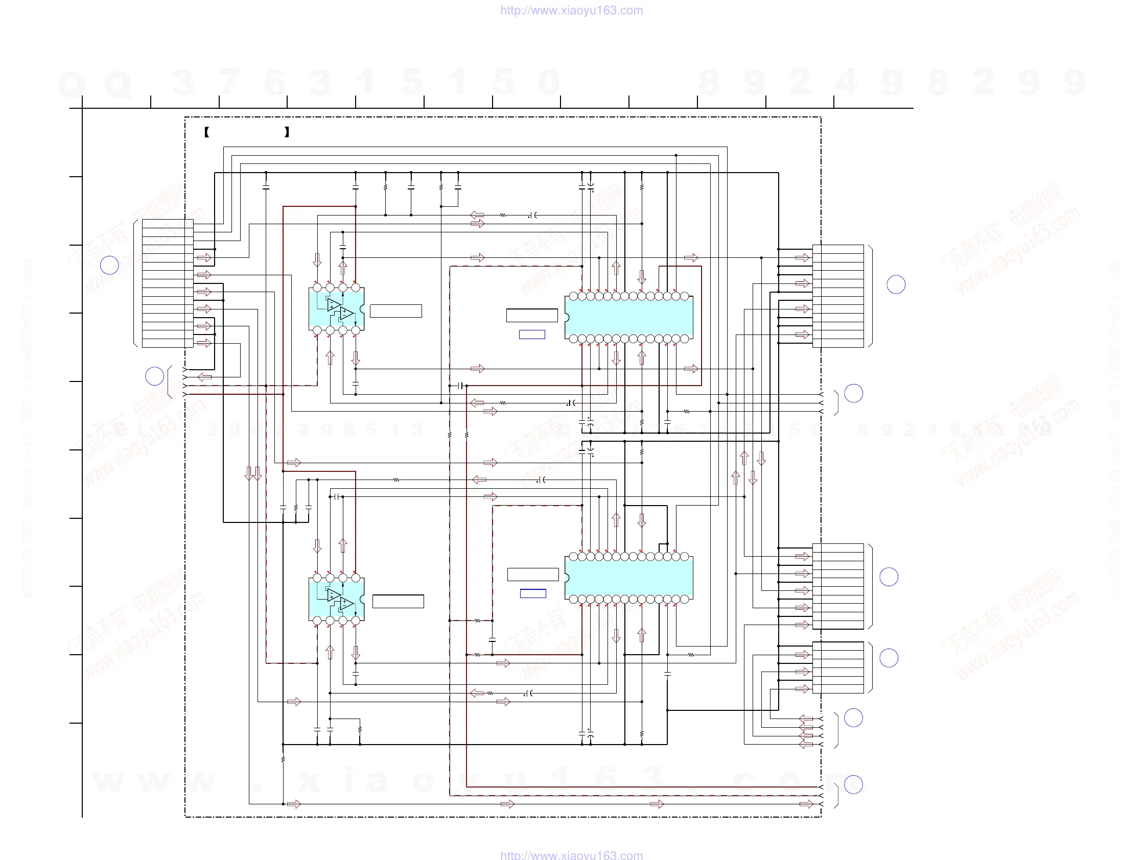
Sony STR-DA5400ES - Schematic Diagram - E-VOL Board (1;2)

Sony STR-DA5400ES
218 pages
Print Icon
To Next Page IconTo Next Page
To Next Page IconTo Next Page
To Previous Page IconTo Previous Page
To Previous Page IconTo Previous Page
Loading...
STR-DA5400ES
STR-DA5400ES
6363
CONNECTOR1
BOARD
AF
CN1209
E-VOL
BOARD
52
(2/2)
CN1206
MAIN
BOARD
(2/3)
H
CN1205
MAIN
BOARD
(2/3)
J
CN1203
MAIN
BOARD
(1/3)
E
53
BOARD
E-VOL
(2/2)
54
BOARD
E-VOL
(2/2)
51
BOARD
E-VOL
(2/2)
IC B/D
IC B/D
0
0
0
15
-15
0
0
0
0
0
0
15
-15
0
0
0
-15
0
0
0
0
0
15
0
15
0
0
0
0
0
0
0
-15
0
0
0
0
0
0
15
0
0
0
0
0
0
0
16V
100
C1203
16V
100
C1223
16V
100
C1253
16V
100
C1273
50V
22
C1202
50V
22
C1222
50V
22
C1252
50V
22
C1272
0.01
C1206
0.01
C1208
0.01
C1209
0.01
C1226
0.01
C1228
0.01
C1229
1000p
C1207
1000p
C1227
2200p
C1205
2200p
C1225
2200p
C1255
2200p
C1275
33
R1205
33
R1206
33
R1225
33
R1226
100R1204
100
R1224
1k
R1202
1kR1222
1kR1252
1k
R1272
100k
R1203
100k
R1207
100k
R1223
100k
R1227
100k
R1253
100k
R1257
100k
R1267
100k
R1273
100k
R1277
1
2
3
4
5
6
7
8
9
10
11
12
12P
CN1201
GND
SR
GND
GND
SL
GND
GND
FRONT-R
GND
GND
FRONT-L
GND1
2
3
4
5
6
7
8
9
10
11
12
13
14
15
15P
CN1203
C
AGND
SW
AGND
L
AGND
R
AGND
SL
AGND
SR
AGND
VLAT
VCLK
VDATA
8765
4321
NJM4565M(TE2)
IC1202
VSS
VDD
8765
4321
NJM4565M(TE2)
IC1222
VSS
VDD
10p
C1290
10p
C1240
10p
C1220
10p
C1210
28 27 26 25 24 23 22 21
20 19 18 17 16 15
14131211109
87654321
28 27 26 25 24 23 22 21
20 19 18 17 16 15
14131211109
87654321
CXD9725M-HFL
IC1223
NC
VSS
TRIM
TRIM
TRIM
OUT
VRGND
NC
VRIN
NC
CS1
GND
CLK
NCNC
DATA
LAT
CS2
NC
VRIN
NC
VRGND
OUT
TRIM
TRIM
TRIM
VDD
NC
CXD9725M-HFL
IC1203
NC
VSS
TRIM
TRIM
TRIM
OUT
VRGND
NC
VRIN
NC
CS1
GND
CLK
NCNC
DATA
LAT
CS2
NC
VRIN
NC
VRGND
OUT
TRIM
TRIM
TRIM
VDD
NC
22p
C1274
22p
C1224
22p
C1254
22p
C1204
1
3
4
5
6
7
8
9
10
11
11P
CN1208
SBR PREOUT
GND
SL PREOUT
GND
SR PREOUT
GND
L PREOUT
GND
R PREOUT
GND
1
3
4
5
6
7
7P
CN1209
C PREOUT
GND
W PREOUT
GND
SBL PREOUT
GND
3
6
9
10
11
12
13
14
15
2
1
4
5
8
(1/2)E-VOL BOARD
IC1203
ELECTRICAL VOLUME
IC1202
LINE AMP
IC1222
LINE AMP
IC1223
ELECTRICAL VOLUME
A
1012
J
H
B
11
C
78
I
F
9643
G
D
5
E
12
6-36. SCHEMATIC DIAGRAM - E-VOL Board (1/2) -
• See page 112 for IC Block Diagrams.
(Page 42)
(Page 64)
(Page 91)
(Page 64)
(Page 43)
(Page 43)
(Page 64)
(Page 64)
w
w
w
.
x
i
a
o
y
u
1
6
3
.
c
o
m
Q
Q
3
7
6
3
1
5
1
5
0
9
9
2
8
9
4
2
9
8
T
E
L
1
3
9
4
2
2
9
6
5
1
3
9
9
2
8
9
4
2
9
8
0
5
1
5
1
3
6
7
3
Q
Q
TEL 13942296513 QQ 376315150 892498299
TEL 13942296513 QQ 376315150 892498299
http://www.xiaoyu163.com
http://www.xiaoyu163.com

Table of Contents

Other manuals for Sony STR-DA5400ES

Related product manuals