EasyManua.ls Logo

Sony STR-DA5400ES - Q Q 6-8. Block Diagram - ANALOG AUDIO Section (2;2)

Sony STR-DA5400ES
218 pages
Print Icon
To Next Page IconTo Next Page
To Next Page IconTo Next Page
To Previous Page IconTo Previous Page
To Previous Page IconTo Previous Page
Loading...
STR-DA5400ES
STR-DA5400ES
3434
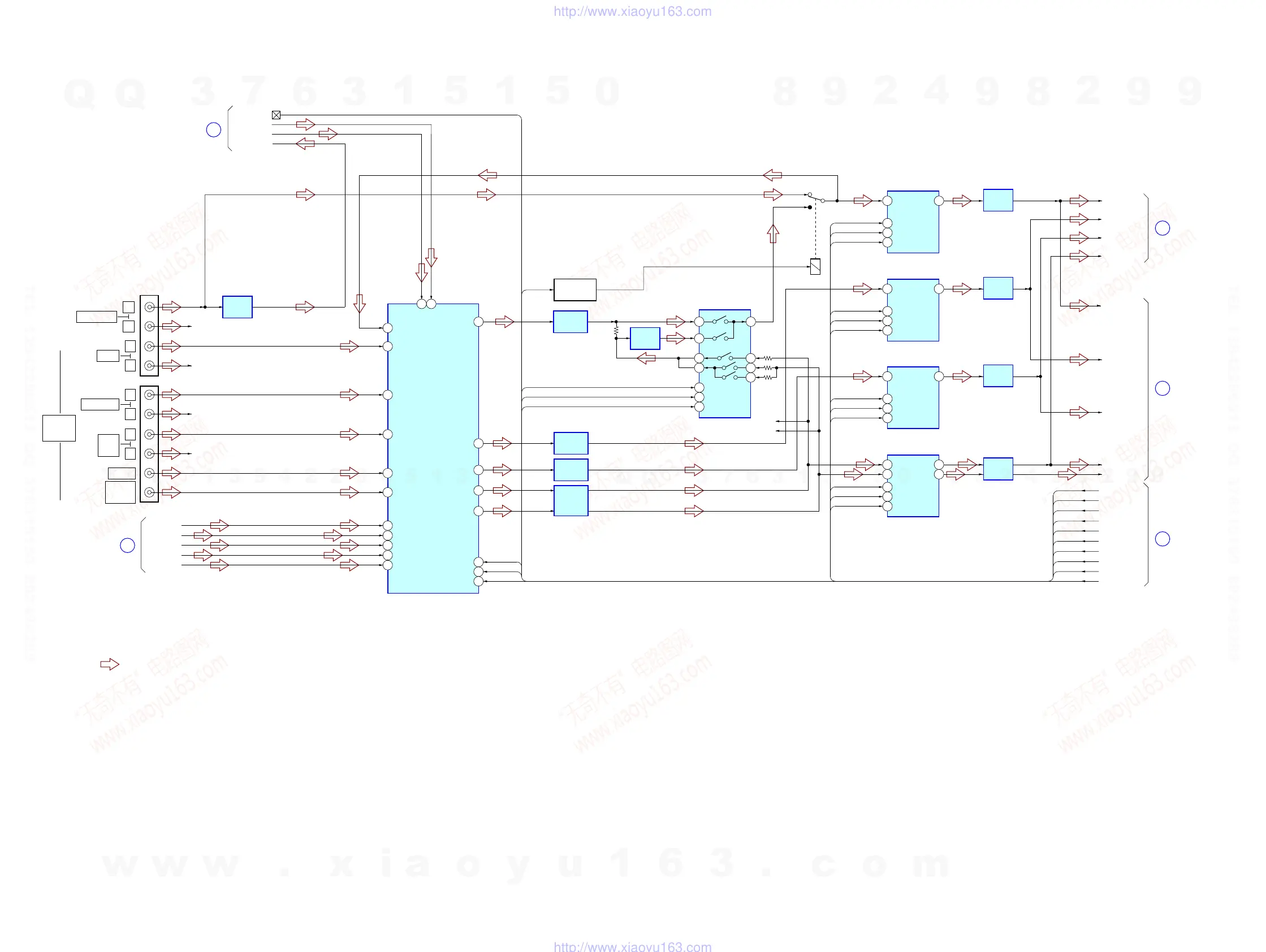
6-8. BLOCK DIAGRAM - ANALOG AUDIO Section (2/2) -
26
26
27
17
19
21
7.1 L
41 FL
36 7.1 SL
40 7.1 SBL
32 7.1 C
11 7.1 SW
AUDIO INPUT SELECTOR
IC2090
AUDIO SWITCH
IC2390
SOURCE-L
SA-CD/CD-L
2ND-L
2ND L
2CH L
39 28
24OUT L
25
LINE AMP
IC2290
MIX
IC2391
33OUT SL
LINE AMP
IC2310
37OUT SBL
LINE AMP
IC2320
29OUT C
14OUT SW
LINE AMP
IC2300
COM2_DATA
COM2_CLK
FUNC-LAT
22DATA
21CLK
23LAT
DATA
CLK
FUNC_LAT
15 DATA
14 CLK
16 LAT
DATA
CLK
D.MIX
DATA
VOL-LAT
VLAT
CLK
FUNC_LAT
MIC
MIC
FUNC2_LAT
FUNC2_LAT
2ND-RY
3RD-RY
2ND-RY
3RD-RY
BUFFER
IC2311
R-CH
L
R
SA-CD/CD IN
16
SBL PREOUT
C PREOUT
W PREOUT
L PREOUT
FRONT-L
SL
SBL
C
SL PREOUT
46
45
62
21
25 D/A L
34 D/A SL
38 D/A SBL
13 A/D SW
30 A/D C
D/A-L
D/A-SL
D/A-SBL
D/A-SW
D/A-C
MULTI
CHANNEL
INPUT
J1001
SUR
BACK
FRONT
L
R
L
R
SURROUND
L
R
J1002
CENTER
SUB
WOOFER
R-CH
R-CH
R-CH
23
22
20
ELECTRICAL VOLUME
IC1203
23
16 DATA
VRIN OUT
13 CLK
17 LAT
DATA
CLK
VLAT
LINE AMP
IC1202
20
ELECTRICAL VOLUME
IC1223
23
16 DATA
VRIN OUT
13 CLK
17 LAT
DATA
SL
SBL
C
W
CLK
VLAT
LINE AMP
IC1222
20
ELECTRICAL VOLUME
IC1233
23
16 DATA
VRIN OUT
13 CLK
17 LAT
DATA
CLK
VLAT
R-CH
R-CH
LINE AMP
IC1232
20
ELECTRICAL VOLUME
IC1213
23
16 DATA
VRIN OUT
9 6
VRIN OUT
13 CLK
17 LAT
DATA
CLK
VLAT
LINE AMP
IC1212
CCD-RY
RELAY DRIVE
Q1105
DMIX_LAT
D.MIX
CCD-RY
CCD-RY
RY1105
AUDIO BUS
• SIGNAL PATH
• R-CH is omitted due to same as L-CH.
: AUDIO (ANALOG)
(Page 29)
(Page 33)
(Page 35)
(Page 35)
(Page 27)
w
w
w
.
x
i
a
o
y
u
1
6
3
.
c
o
m
Q
Q
3
7
6
3
1
5
1
5
0
9
9
2
8
9
4
2
9
8
T
E
L
1
3
9
4
2
2
9
6
5
1
3
9
9
2
8
9
4
2
9
8
0
5
1
5
1
3
6
7
3
Q
Q
TEL 13942296513 QQ 376315150 892498299
TEL 13942296513 QQ 376315150 892498299
http://www.xiaoyu163.com
http://www.xiaoyu163.com

Table of Contents

Other manuals for Sony STR-DA5400ES

Related product manuals