EasyManua.ls Logo

Sony STR-DE915 - Block Diagrams - Video In;Out Section; Video In;Out Section Block Diagram

Sony STR-DE915
56 pages
Print Icon
To Next Page IconTo Next Page
To Next Page IconTo Next Page
To Previous Page IconTo Previous Page
To Previous Page IconTo Previous Page
Loading...
STR-DE915/TA-V909/VE910
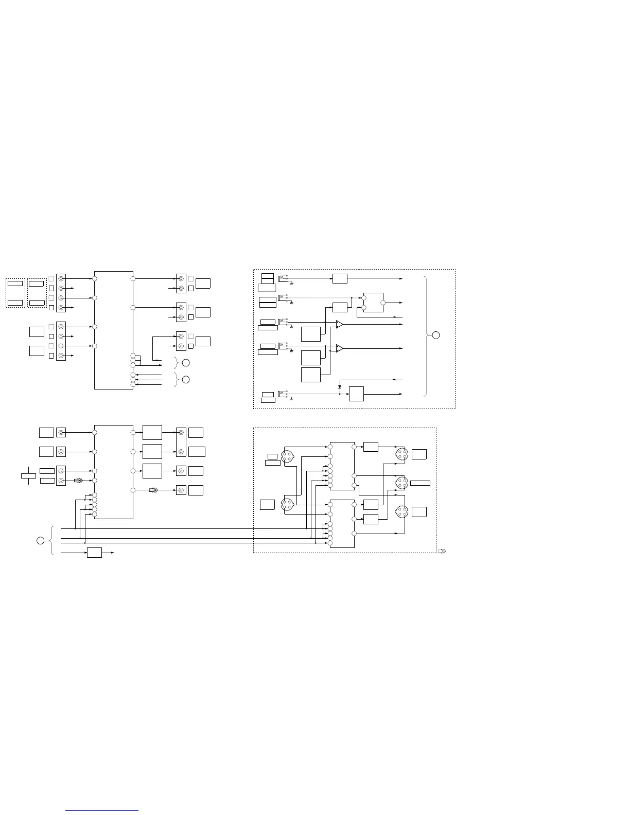
2-3. BLOCK DIAGRAM VIDEO IN/OUT SECTION
10 11 12
J305
L
R
R CH
L
R
TV/DBS
DE915 MODEL
TV
V909/VE910
MODEL
D
TO
(1/3)
Y
V1 O
3
CTRL S
LD/DVD
LD
VIDEO 1
IN
VIDEO 1
V1 OUT
1
6R CH
J304
L
R
R CH
L
R R CH
VIDEO 2
IN
2
10
7
9
4
13
VIDEO 2
V2 OUT
COM
SLAT
8COM
11COM
14
SDATA
15SCLK
VIDEO SELECTOR
IC303
TV/LD
DVD/LD
SATL
TV/DBS
J304
L
R
VIDEO 1
OUT
R CH
J305
L
R
VIDEO 2
OUT
R CH
J299
L
R
VIDEO 3
OUT
R CH
V3 OUT
COM
SLAT
SDATA
SCLK
A
TO
(1/3)
B
TO
(1/3)
J211
V1 IN V1 OUT
5
J210
3
16 14
15
8
A
D
9
C
11
B
6
E
VIDEO SWITCH
IC211
J210
J209
TV
LD
V2 IN
J209
12
VIDEO
BUFFER
Q215,218
M OUT 1
MONITOR
OUT
VIDEO
BUFFER
Q214,217
V2 OUT 10
VIDEO
BUFFER
Q216,219
J299
V3 OUT
7
MONITOR
VIDEO 1
VIDEO 2
J202
J213
J212
J214
J201
LEVEL
CONTROL
Q222,223
BUFFER
Q213
IN/OUT
BUFFER
Q220
11
6
LEVEL
CONTROL
Q205,209
LEVEL
CONTROL
Q212
3
2
5
6
7
1
IC201
SWITCH
Q225,226
ST-I/O
IC223
4
BUS OUT
MBUS V2
BUS IN
MBUS V1
SIRCS-2
STATUS OUT
MBUS TV
BUFFER
Q208,211
16
15
9
11
8
6
LD
14
1
7
V1 I
A
C
B
D
E
V3 O
M O
Y SWITCH
IC204
C
Y
J207
VIDEO 1
Y
C
C
Y
V1 O
3
BUFFER
Q1
16
15
9
11
8
6
LD
14
7
V1 I
A
C
B
D
E
V3 O
C SWITCH
IC203
C
Y
C
M O
BUFFER
Q206
1
J204
J299
VIDEO 3
VA
+B SW
Q201
VB
VE
INH
+5V
C
TO
(1/3)
EXCEPT DE915:US, Canadian MODEL
DE915:US,Canadian MODEL
LD
J205
J207
TV/DBS
VIDEO IN
LD/DVD
CTRL S IN
CTRL S OUT
CTRL S OUT
TV/DBS
CTRL S
STATUS IN
CTRL A1
S-LINK
VIDEO IN
VIDEO 1
IN
VIDEO 2
IN
VIDEO 1
OUT
VIDEO 2
OUT
VIDEO 3
OUT
VIDEO 1
IN
MONITOR
OUT
OUT
Signal path
: LD(VIDEO)

Other manuals for Sony STR-DE915

Related product manuals