EasyManua.ls Logo

Sony STR-KM7600 - Block Diagram - Video Section

Sony STR-KM7600
78 pages
Print Icon
To Next Page IconTo Next Page
To Next Page IconTo Next Page
To Previous Page IconTo Previous Page
To Previous Page IconTo Previous Page
Loading...
1212
STR-KM7600
STR-KM7600
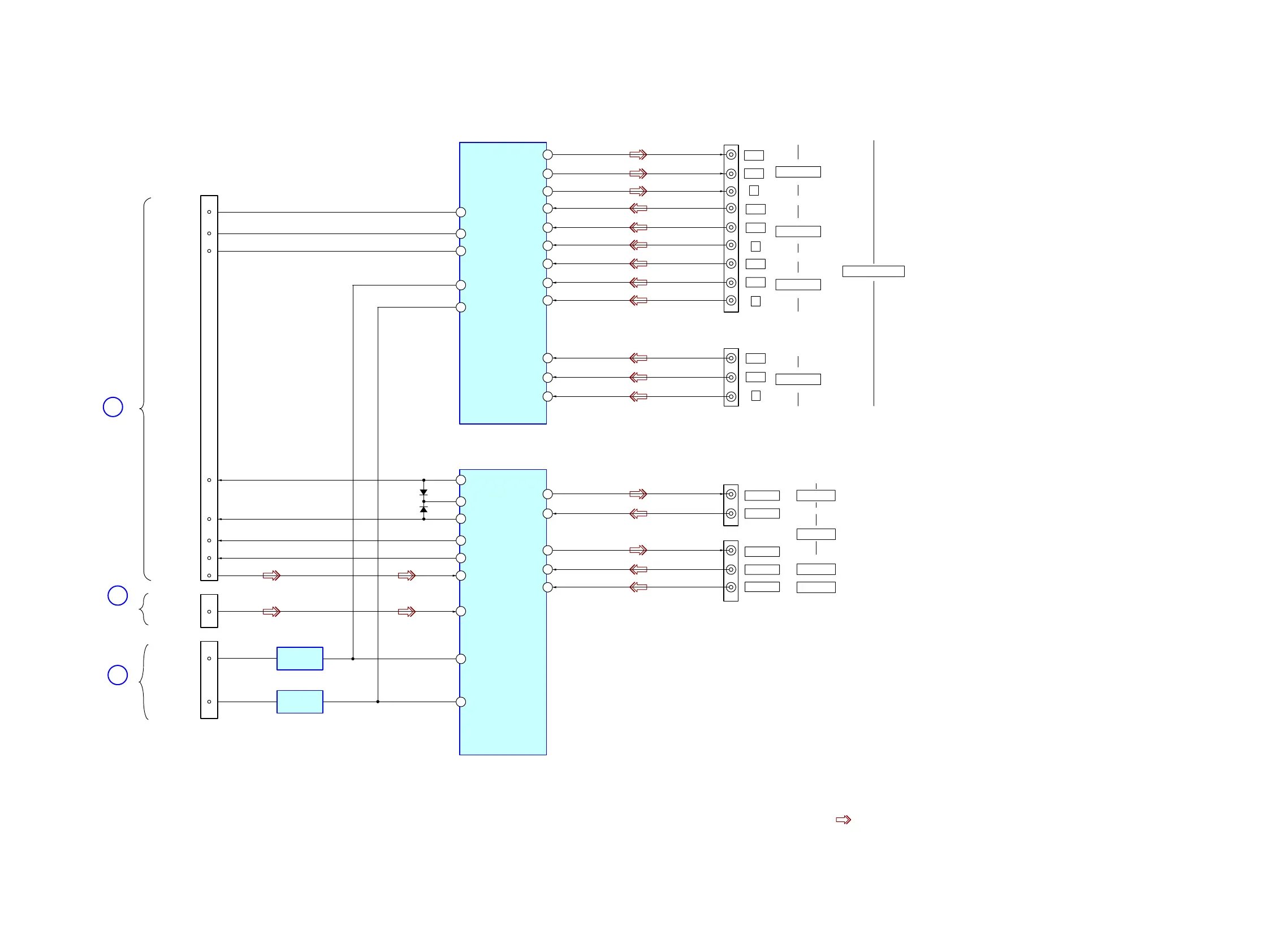
5-2. BLOCK DIAGRAM — VIDEO SECTION —
PS(V-MUTE)
COMP_S2
COMP_S1
V_SW1
1
3
4
2
V_SW2
V_SW3
V_SW4
DMPORT V
5
7
9
6
CN202
+R3(15V)
-R3(-15V)
1
5
CN200
VIDEO
2
CNP201
IC220
COMPONENT VIDEO SELECT
23
4
2
20
22
PS
CH3 OUT
CH2 OUT
24
CH1 OUT
17
CH3 IN1
8
CH2 IN1
1
CH1 IN1
15
CH3 IN2
10
CH2 IN2
3
CH1 IN2
13
CH3 IN3
12
CH2 IN3
5
CH1 IN3
SW2
SW1
18
V-2
7
V+1
IC210
INPUT SELECT
D210
D211
14
2
10
SW1
SW5
SW2
4
SW3
6
SW4
7
VIN3
9
VIN2
8
V-
16
V+
J200
MONITOR
VIDEO OUT
VIDEO IN
J201
VIDEO1
SAT
BD
VIDEO OUT
VIDEO IN
VIDEO IN
J202
J203
MONITOR OUT
P
Y
B/CB
PR/CR
VIDEO 1 IN
P
Y
B/CB
PR/CR
DVD IN
P
Y
B/CB
PR/CR
SAT IN
P
Y
B/CB
PR/CR
1
VOUT1
13
VIN1
15
VOUT2
3
VIN5
5
VIN4
IC201
-5V REG
IC202
+5V REG
CONNECTION
SECTION
(Page 17)
I
STANDBY
SECTION
(Page 14)
O
DISPLAY
SECTION
(Page 11)
F
COMPONENT VIDEO
SLJQDO SDWK
: VIDEO
R-FK LV RPLWWHG GXH WR VDPH DV L-FK

Table of Contents

Related product manuals