EasyManua.ls Logo

Sony STR-KM7600 - Printed Wiring Board - Standby DCDC Board

Sony STR-KM7600
78 pages
Print Icon
To Next Page IconTo Next Page
To Next Page IconTo Next Page
To Previous Page IconTo Previous Page
To Previous Page IconTo Previous Page
Loading...
33 33
STR-KM7600
STR-KM7600
D903
RY920
J920
FH920
FH921F920
CNP922
CNP923
C923
T924
EXEPT EA
C980
L990
C990
HS990
C991
L992
J921
B920
B904
1
4
CNP904
CN970
EA
F901
F902
CN905
L981
C921
C924
C917
C914
C926
C982
C993
JW925
JW924
JW926
JW923
JW950
JW971
JW944
JW943
JW947
JW915
JW936
JW941
JW953
JW954
R929
JW946
JW973
JW917
C995
C911
C912
CNP921
R994
HS910
HS992
R995
C999
JW939
JW918
JW928
JW955
JW937
JW932
JW916
L980
JW949
JW972
JW942
I
O
I
O
1153
1
7
14
1
3
15
15
VCC
O
D991
C
BE
Q922
BE
Q920
BE
Q921
BE
Q923
D913
D911
D926
D921
D922
D920
D923
D994
R992
D980
C918
C925
R921
R920
C992
C981
D927
C930
C927
D924
R981
R922
R925
R991
R926
R982
R923
R980
R928
R927
R990
R924
CL920
C931
FB900
FB901
C919
CL939
CL924
CL946
CL930
CL933
CL944
CL929
CL943
CL928
CL934
CL945
CL940
CL925
CL947
CL931
CL938
CL923
CL941
CL926
CL936
CL921
CL935
CL942
CL927
CL937
CL922
CL932
D925
I
O
C994
IC991
EXCEPT EA
R993
C998
D995
D992
D993
C972
C971
(CHASSIS)
(CHASSIS)
STANDBY DCDC BOARD
AC IN
T921
EA
EA
T921
POWER TRANSFORMER (SUB)
EA
T924
POWER TRANSFORMER (SUB)
EXCEPT EA
EXCEPT EA
IC911
VIDEO BOARD
CN200
(Page 25)
B
AC SELECT
BOARD
CN910
(Page 47)
Q
DIGITAL BOARD
CN2102
(Page 37)
HDMI PC BOARD
CN3510
(Page 29)
AC SELECT
BOARD
CN912
(Page 47)
K
R
IC910
IC911
IC980
IC990
IC991
IC992
4 3 5
2
3
(MAIN)
5
2
POWER TRANSFORMER
5
3
4
4
3
2
T901
NOT REPLACEABLE:
BUILT IN TRANSFORMER.
P
MAIN BOARD
CN553
(Page 20)
MAIN BOARD
CN554
(Page 20)
1-879-395-
11
(11)
OUT
SYSTEM CONTROL
DC5V 50MA MAX
ONLY FOR TA-KMSW500
OUT
JW933
C932
C934
C933
1 2 3 4 5 6 7 8 9 10 11 14 1512 13
A
B
C
D
E
F
G
H
I
J
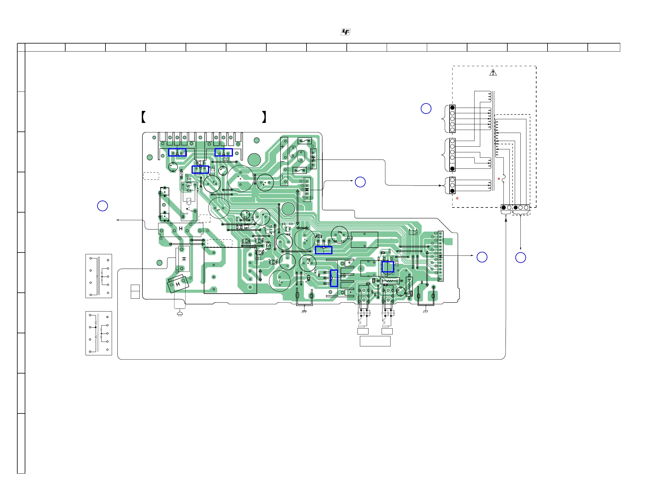
5-22. PRINTED WIRING BOARD — STANDBY DCDC BOARD — • Refer to page 10 for Circuit Boards Location. : Uses unleaded solder.

Table of Contents

Related product manuals