EasyManua.ls Logo

Sony STR-KM7600 - Block Diagram - Standby DCDC Section

Sony STR-KM7600
78 pages
Print Icon
To Next Page IconTo Next Page
To Next Page IconTo Next Page
To Previous Page IconTo Previous Page
To Previous Page IconTo Previous Page
Loading...
1414
STR-KM7600
STR-KM7600
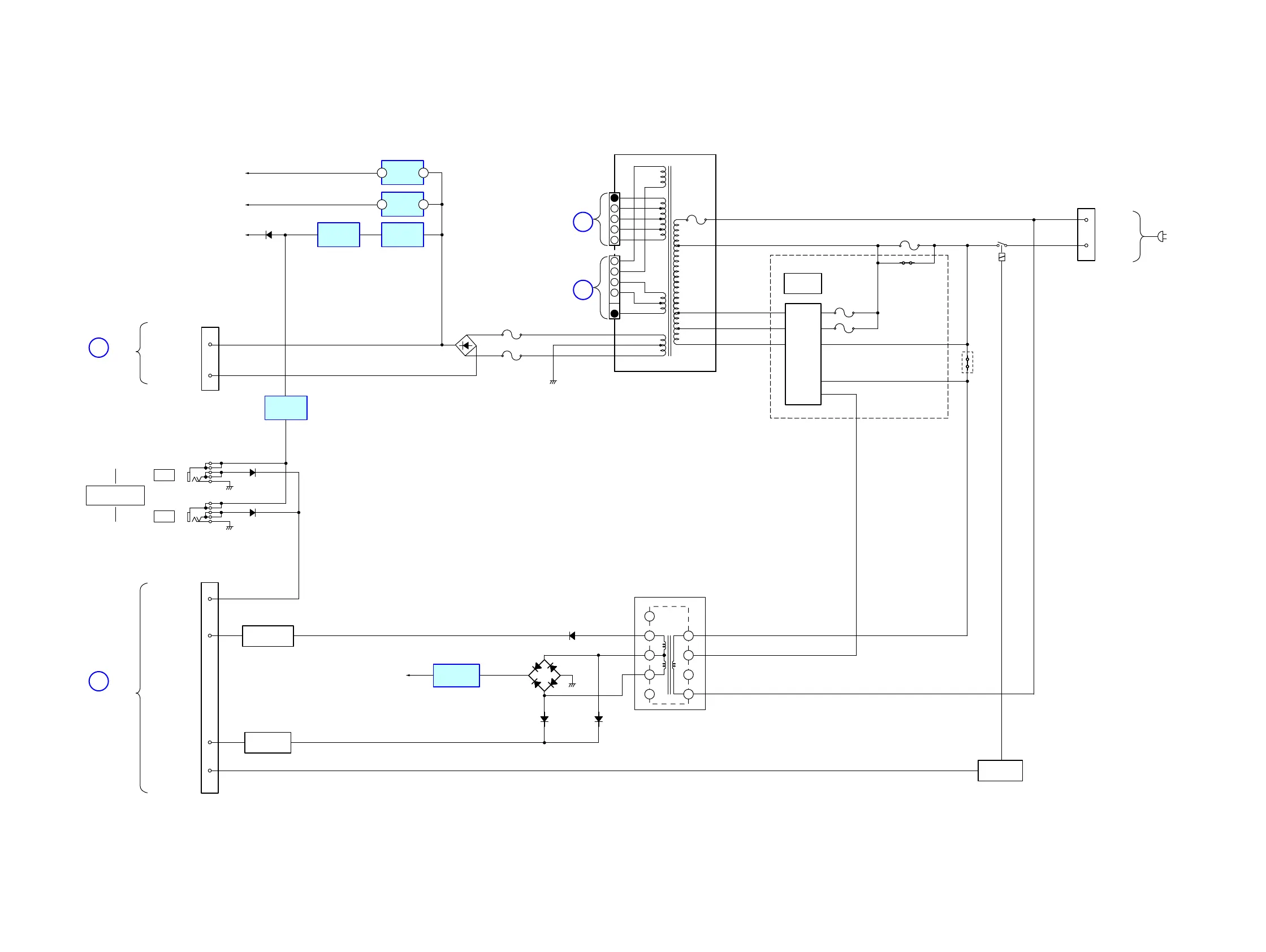
5-4. BLOCK DIAGRAM — STANDBY DCDC SECTION —
3
(MAIN)
5
2
POWER TRANSFORMER
5
3
4
4
2
T901
Z
Y
MAIN
SECTION
(Page 18)
MAIN
SECTION
(Page 18)
1
3
4
5
6
7
8
9
2
RY920
Q923
RELAY DRIVE
F910
S910
F911
F920
LIVE
1
NEUTRAL
3
CNP922
AC IN
EA
JW924
JW925
AUS, SAF
VOLTAGE
SELECTOR
F901
F902
D903
1
-R3(-15V)
+R3(+15V)
5
CN905
VIDEO SECTION
(2/2)
(Page 12)
O
IC980
12
+6.3V
+5V
IC990
12
+4V
IC992
+7V REG
IC910
+7V REG
+6.3V REG
+4V REG
IC991
+5V REG
J920
OUT
SYSTEM CONTROL
DC5V 50mA MAX
ONLY FOR TA-KMSW500
J921
OUT
Q920
AC IN DETECT
SUB-T(CEC)
STOP (AC-OFF-DET)
POWER RY
5
7
6
SW-PROTECTOR
4
CN970
DIGITAL SECTION
(2/2)
(Page 16)
K
Q921-Q922
SUB-T CONTROL
IC911
+6V REG
+5V
T921 : EA
T924 : SAF, AUS
POWER TRANSFORMER
(SUB)

Table of Contents

Related product manuals