EasyManua.ls Logo

Sony STR-KM7600 - Schematic Diagram - Video Board

Sony STR-KM7600
78 pages
Print Icon
To Next Page IconTo Next Page
To Next Page IconTo Next Page
To Previous Page IconTo Previous Page
To Previous Page IconTo Previous Page
Loading...
2626
STR-KM7600
STR-KM7600
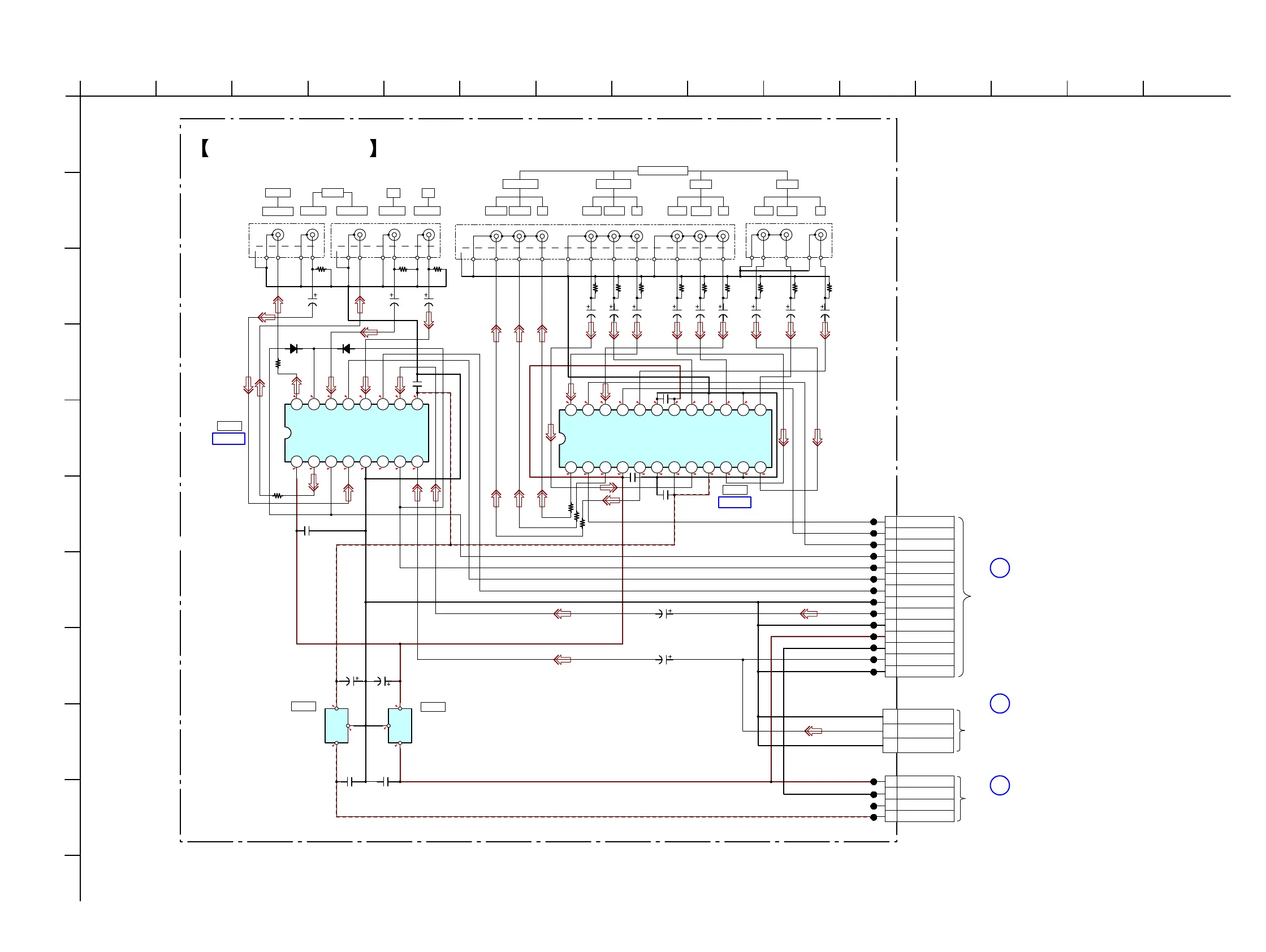
5-15. SCHEMATIC DIAGRAM — VIDEO BOARD — • Refer to page 48 for IC Block Diagrams.
MA2J1110GLS0
DMPORT V
CL238
CL237
CL236
CL235
1
3
4
5
CN200
+R3(15V)
GND
GND
-R3(-15V)
STANDBY DCDC
BOARD
CN905
(Page 34)
B
CL232
CL231
5P
50V
10
C205
50V
10
C206
50V
10
C207
50V
10
C212
50V
10
C211
50V
10
C220
50V
10
C219
50V
10
C218
50V
10
C213
V2 V1V3
G
J201
3P
J200
2P
5673412
V1V2
G
12345
50V
10
C210
50V
10
C209
50V
10
C208
16V
47
C204
16V
47
C200
10
50V
50V
C226
10
C227
16 15 14 13 12 11 10 9
87654321
IC210
NJM2595M-TE2
SW5
VOUT1
SW3
VIN5
SW4
VIN4
V-
VIN3
VOUT2
V+
VIN1
SW1
VOUT3 (NC)
GND
VIN2
SW2
24 23 22 21 20 19 18
7654321
17 16 15 14 13
8 9 10 11 12
YPbPrYPbPr Pr PrPb PbYY
CH1 IN1
SW1
CH1 IN2
SW2
CH1 IN3
GND
V+1
CH2 IN1
GND
CH2 IN2
GND
CH2 IN3
CH3 IN3
GND
CH3 IN2
V-1
CH3 IN1
V-2
GND
CH3 OUT
V+2
CH2 OUT
PS
CH1 OUT
75
R203
75
R204
75
R205
75
R207
75
R206
75
R208
G
123
67458910111213
D211
D210
C203
0.47
C201
0.47
75
R212
75
R200
75
R213
75
R201
75
R202
R220
75
R221 75
R222
75
J203
21345
75
R209
J202
9P
75
R210
75
R211
0.1
C224
0.1
C222
0.1
C214
0.1
C216
1
2
3
4
5
6
7
8
9
10
11
12
13
14
CN202
COMP_S2
COMP_S1
V_SW1
V_SW2
V_SW3
V_SW4
V_GND
+R3 (15V)
R3_GND
VIDEO2 V
VIDEO2_GND
I
O
G
KIA7805API-U/PF
IC202
+5V REG
I
O
G
KIA7905PI
IC201
0.1
C228
CL221
CL222
CL223
CL224
CL225
CL226
CL227
CL228
CL229
CL230
CL233
CL234
-5V REG
IC220
NJM2586AM
COMPONENT VIDEO
SELECT
DVD
VIDEO 1
VIDEO IN VIDEO IN VIDEO IN
Y
SAT IN
DVD IN
COMPONENT VIDEO
VIDEO 1 IN
YYYPR/CR PB/CB PR/CR PB/CB PR/CR PB/CB PR/CR PB/CB
14P
INPUT SELECT
MA2J1110GLS0
3P
VIDEO OUT
VIDEO OUT
MONITOR
SAT
PS(V-MUTE)
DMPORT GND
MONITOR OUT
IC220
IC B/D
IC201
IC202
3.0
8.1
3.1
3.1
3.1
3.1
3.1
3.1
2.4
3.1
3.1
-3.1
3.1
3.1
2.6
-1.9
3.2
3.2
3.2
3.0
8.1
3.1
0
-1.8
3.2
-1.8
3.1
0
3.1
2.3
2.0
1.5
1.2
0.7
0.6
0.4
0.9
3.1
0
-4.5
4.9
-15.0
+15.0
0
0
VIDEO BOARD
1
2
3
3P
CNP201
V GND
VIDEO 2
V GND
VIDEO 2
BOARD
CN173
(Page 28)
C
CONNECTION
BOARD
CN802
(Page 44)
I
IC210
IC B/D
1234567891011 141512 13
A
B
C
D
E
F
G
H
I
J

Table of Contents

Related product manuals