EasyManua.ls Logo

Sony STR-KM7600 - Schematic Diagram - Main Board (4;4)

Sony STR-KM7600
78 pages
Print Icon
To Next Page IconTo Next Page
To Next Page IconTo Next Page
To Previous Page IconTo Previous Page
To Previous Page IconTo Previous Page
Loading...
2424
STR-KM7600
STR-KM7600
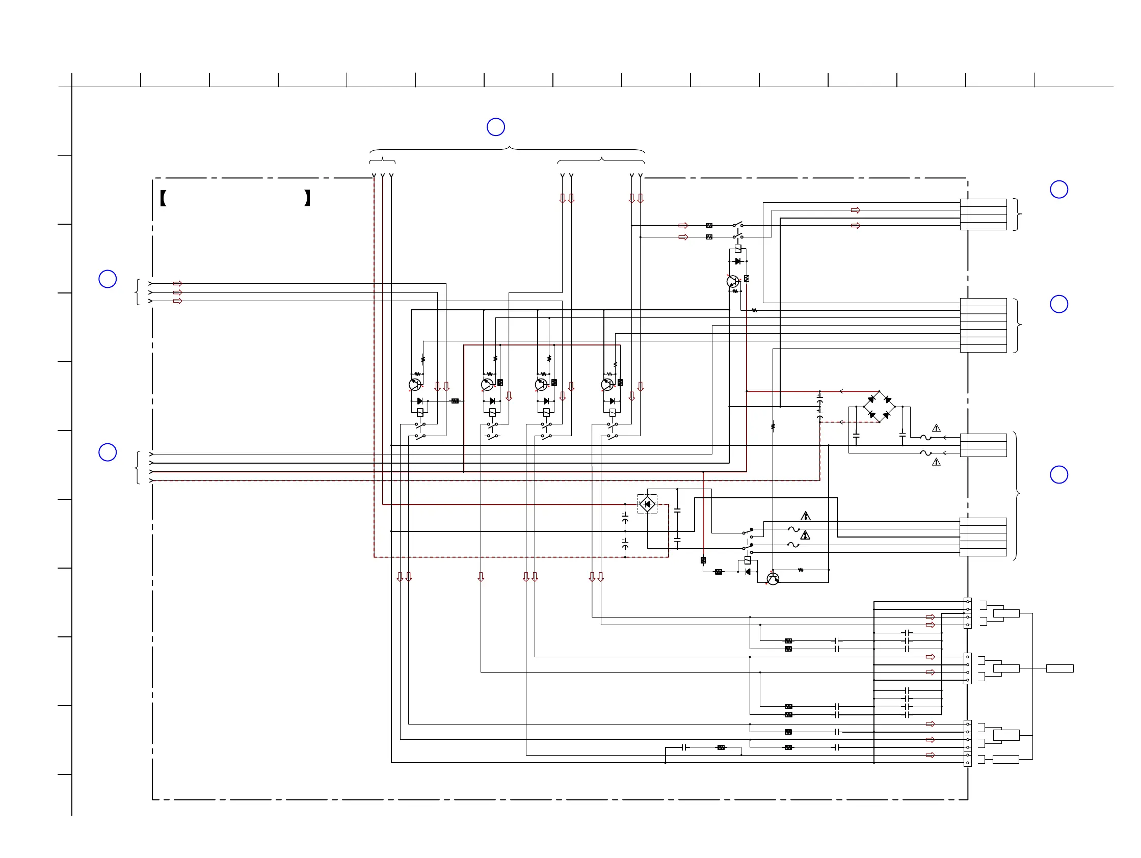
5-13. SCHEMATIC DIAGRAM — MAIN BOARD (4/4) —
A1
A2
A3
+-
R
+-
L
+-
R
+
-
L
+
-
R
+
-
SPEAKERS
L
+
-
RY406
12
3
5
6
8
4
7
2SC3052EF-T1-LEF
Q406
1
2
3
4
5
5P
CN554
R1 (UPPER TAP)
R1 (LOWER TAP)
R1 GND
R1 (LOWER TAP)
R1 (UPPER TAP)
2.2k
R451
2SC3052EF-T1-LEF
Q451
RY451
12V
Q423
RY423
12V
Q422
RY422
12V
2SC3052EF-T1-LEF
RELAY DRIVER
Q421
Q421-Q423,Q425
2.2k
R421
1k
R425
1k
R429
MA2J1110GLS0
D423
D406
MA2J1110GLS0
D421
MA2J1110GLS0
D422
D451
RY425
12V
12
34
56
MA2J1110GLS0
D425
Q425
R437
2.2k
10RR500 0.01CC500
0.01CC50110RR501
R438
33
33R430
33R426
33
R422
47
R453
R406
33
680
R456
R455
680
R440
47k
47k
R428
47k
R432
R424
47k
47k
R454
R408
47k
RY421
12V
R409
2.2k
D403
0.1
C402
25V
2200
C403
1SR154-400TE-25
D401-D404
D401
25V
1000
C404
1
2
3
3P
CN553
R2 AC
R2 CENTER TAP
R2 AC
D402
D404
0.1
C401
1
3
4
5
CN552
5P
HP DETECT
R-CH
GND
L-CH
TB500
TB502
TB503
0.01CC504
0.01CC505
0.01CC506
0.01CC5070.01CC508
10RR504
10RR505
C700 1000p
C699 1000p
10RR506
10RR50710RR508
C703 1000p
C702 1000p
C701 1000p
250V
2A
F401
250V
2A
F402
1
8
3
4
5
6
7
8P
CN551
HP DETECT
BRIDGEABLE RY
HP RY
C-SL-SR RLY
SW PREOUT RY
FRONT A RY
SBR-SBL RLY
F403
F404
R407
47
0.22
100V
C406
0.22
100V
C407
D5SBA60-F
D407
~
~
C409
0.01p
71V
C408
0.01p
71V
SPK_C
SPK_SR
SPK_SL
SPK_FL-A
+15V
+15V
FR_OUT
FL_OUT
SPK_FR-A
15V_GND
+15V
-15V
SBR
SBL
AA3 AA4
0.8
0.2
0.8
0.2
0.8
0.2
0.8
0.2
15.6
0
15.7
0
A38
A37
A40
A41
A45
A46
A47
2W
2W
FRONT
SURROUND
CENTER
SURROUND
BACK
MA2J1110GLS0
RELAY DRIVER
RELAY DRIVER
MA2J1110GLS0
C697 1000p
C698 1000p
L
R
T6.3AL /250V
T6.3AL /250V
A21
A22
A23
A24
MAIN BOARD
(2/4)
(Page 22)
3
MAIN BOARD
(3/4)
(Page 23)
4
HEADPHONE
BOARD
CNP790
(Page 45)
F
DIGITAL BOARD
(2/4)
CN2100
(Page 40)
N
P
MAIN BOARD (4/4)
POWER
TRANSFORMER
T901
(Page 34)
MAIN BOARD
(1/4)
(Page 21)
6
1234567891011 141512 13
A
B
C
D
E
F
G
H
I
J

Table of Contents

Related product manuals