EasyManua.ls Logo

Sony Trinitron PVM-14M4A - 2 Disassembly; Top Cover and Rear Cover Removal; Terminal Board Removal; J and H Boards Removal

Sony Trinitron PVM-14M4A
92 pages
Print Icon
To Next Page IconTo Next Page
To Next Page IconTo Next Page
To Previous Page IconTo Previous Page
To Previous Page IconTo Previous Page
Loading...
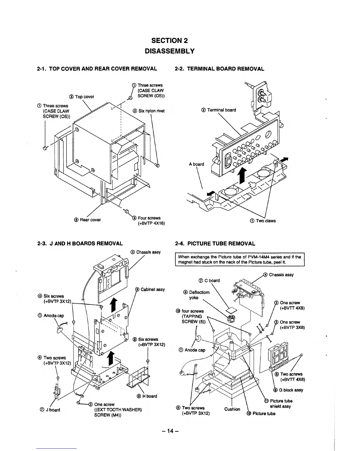
SECTION 2
DISASSEMBLY
2-1. TOP COVER AND REAR COVER REMOVAL 2-2. TERMINAL BOARD REMOVAL
@Top cover
1
Three screws
(CASE CLAW
SCREW (OS))
<D Three screws
(CASE CLAW
SCREW(OS))
_,,c(
,,
1~
@ Rear cover
2-3. J AND H BOARDS REMOVAL
@Six screws
( +BVTP 3X12) r--""'t---::....
' Four screws
(+BVTP 4X16)
@ Chassis assy
A board
\
(D Two claws
2-4. PICTURE TUBE REMOVAL
When exchange the Picture tube of PVM-14M4 series and if the
magnet had stuck on the neck of the Picture tube, peel it.
1
@Two screws
(+BVTT4X8)
-14-

Table of Contents

Related product manuals