13
NEUT
1 AC LIVE
SW,)
~UT,
SW
I
- .....J
/C>-Q ••
I
~f-~
:VH
TO 6 BOARS
I
c~ra6
:S~N)tllo
LINE A
LINE C
GN!l
G/G-Y
GN!l
B/B-Y
TO A <2/31 BOARS
CN301
EXT·SYNC
AUfllO
TO A (2/3) BOARD
CN302
14
CN601
4P
\/HT
:VH
AC IN
TO Q BOAR!l 1---'-'--
CN240 I
CAC !NLETI
NC
NC
AC IN
CN602
7P
\/HT
:VH
AC IN
AC IN
I
2
3
4
7
6
5
TO J BOAR!l ,_ ____ ,._.
4
15
16
17
Vl!A601
18
C608
4700D
250V
E
430¥
AC OUT 3
CN608 ,_ ____ ,__,!---------+----------------+--,._--,
AC OUT
CN603
3P
\/HT
:MINI
!lGC
NC
!lGC
FOR
OGC
CHECK
OGC
CN609
2P
\/HT
:MINI
2
&.
Tll'601
I
2
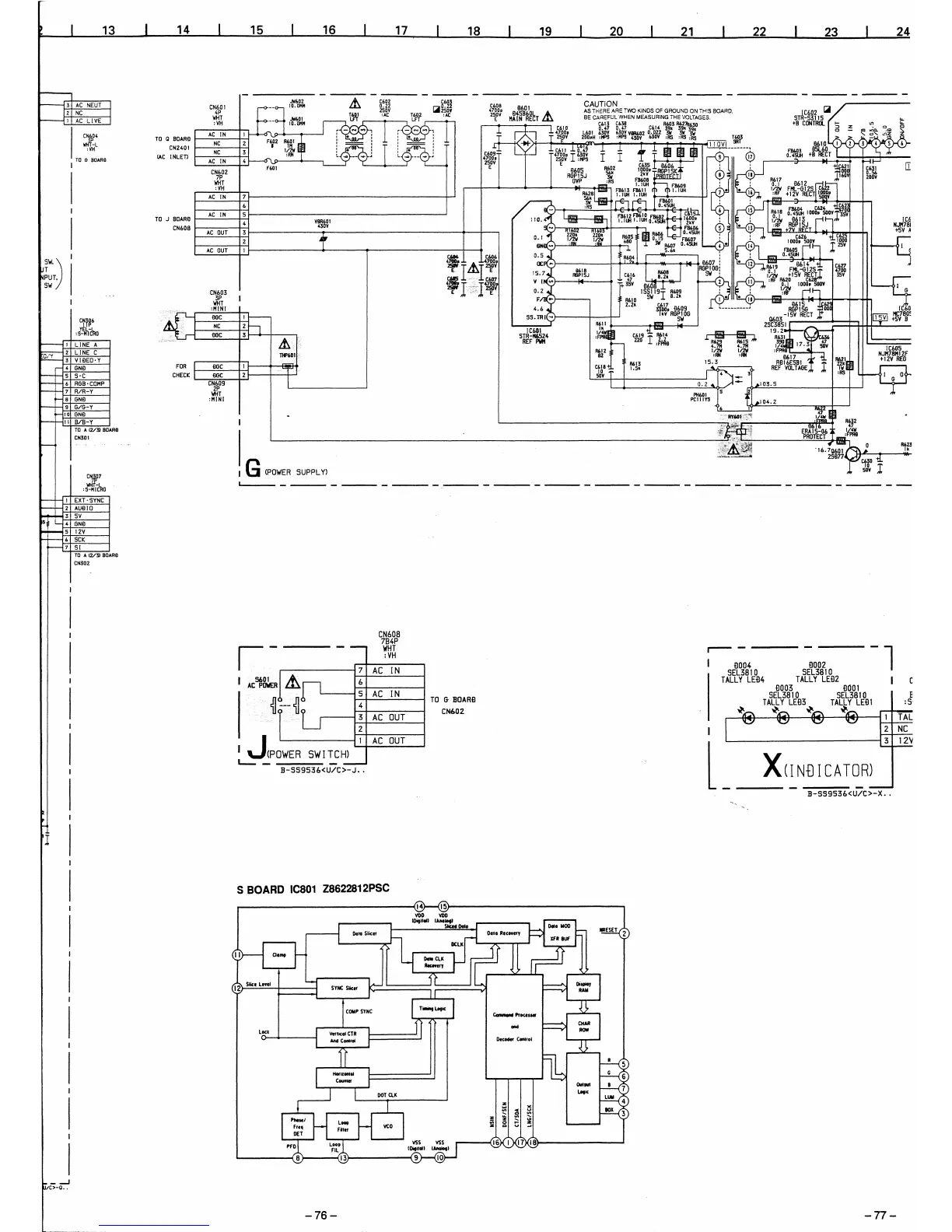
I G (POWER SUPPLY)
CN608
784P
r--
WHT
:VH
7
AC
IN
5601
6
AC Pll'll'ER
5
AC IN
4
3
AC OUT
2
I J(POWER SWITCH)
~-
AC OUT
B-SS9536<U/C>-J ..
S BOARD IC801 Z8622812PSC
Lod
SYNC Slic11
Vflllcal CTR
And Con1rol
Honzomot
, ......
-76-
DOT CLK
vco
TO G BOARB
CN602
19
9601
ll45B60L .6.
HAIN AECT LU
20
21 22
23
24
CAUTiON
AS THERE ARE TWO KINDS OF GROUND ON Tf'!S SOARD,
BE CAREFUL WHEN MEASURING THE VOLTAGES.
C6 I 3 C638 R603 R6271l630
0,47 0,47 C614 39k 39k 39k
L60 I 630V &30V VIIR&02 0. 022 3V 3V 3V
200•H :IIPS :NPS 430V 630¥ :RS :RS :RS
.-- -
I
fl004
SEL3810
I 03.5
104.2
fl002
SEL3810
IC6
NJH78I
+5V A
IC605
NJH78Hl2F
+IZV REG
l
R623
lk
TALLY LEfl4
TALLY LEfl2
C
°"'""
lotK
l
fl003 flOO 1
SEL3810 SEL3810
TALLY LEfl3
TALLY LEfll
~
~
~
1
2
3
X(I N-8 I CA TOR)
B-SS9536<U/C>-X ..
-77-
E
:S·
TAL
NC
12V