EasyManua.ls Logo

Spellman XRV Sub-system - Page 35

Spellman XRV Sub-system
98 pages
Print Icon
To Next Page IconTo Next Page
To Next Page IconTo Next Page
To Previous Page IconTo Previous Page
To Previous Page IconTo Previous Page
Loading...
Page 35 of 98
118157-001 Rev C
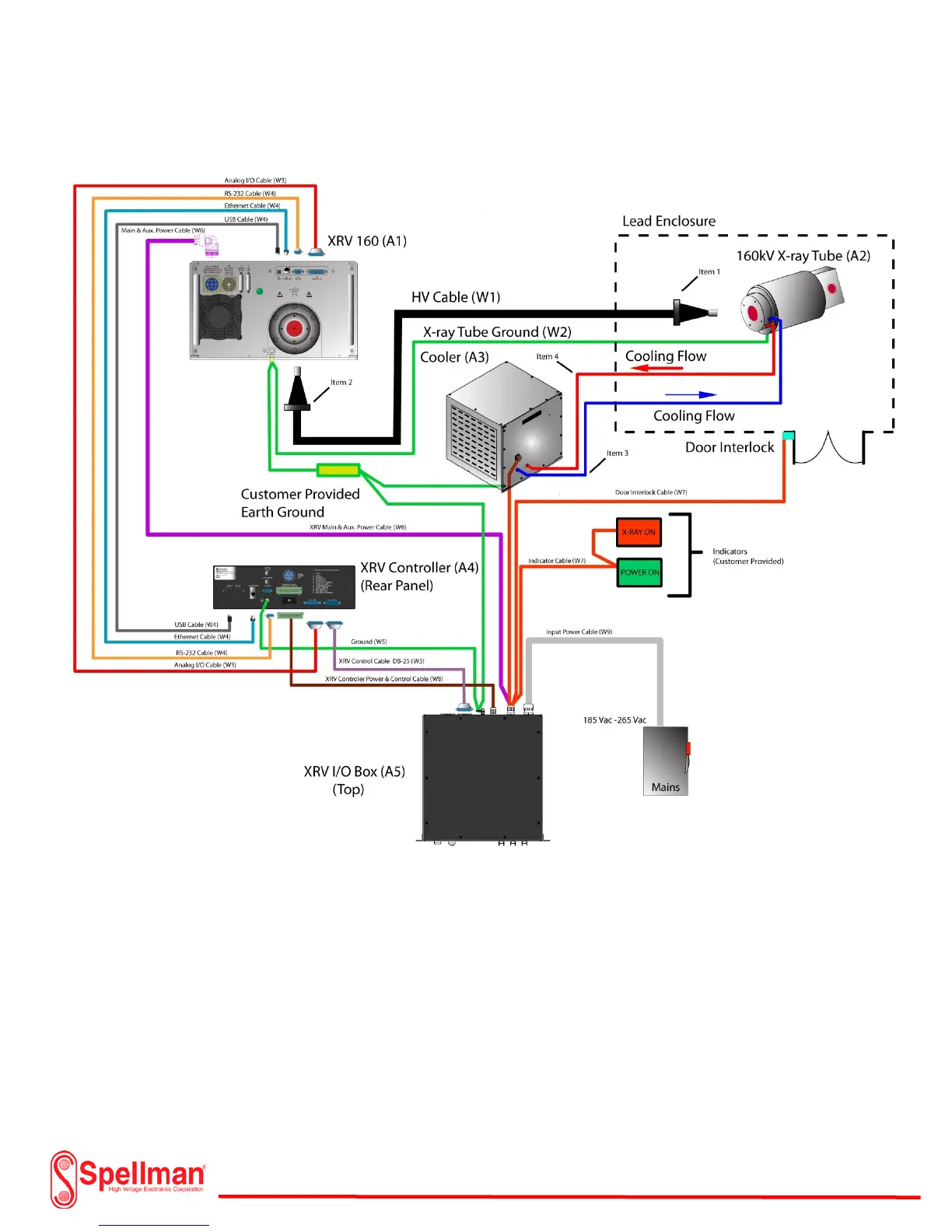
XRV Unipolar System Diagram
Typical Unipolar System with Additional Controller and I/O Box

Related product manuals