EasyManua.ls Logo

Spellman XRV Sub-system - Interlock and Communication Connections; Unipolar Basic Setup Requirements

Spellman XRV Sub-system
98 pages
Print Icon
To Next Page IconTo Next Page
To Next Page IconTo Next Page
To Previous Page IconTo Previous Page
To Previous Page IconTo Previous Page
Loading...
Page 55 of 98
118157-001 Rev C
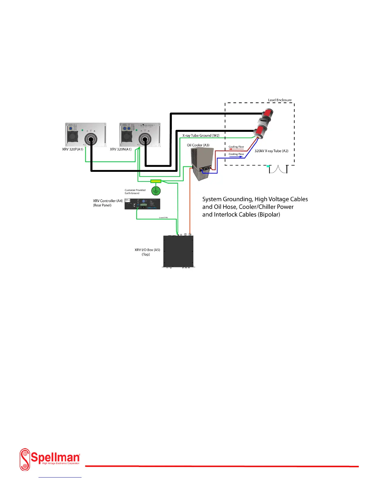
Cooler/Chiller Connections: (Complete System)
Interlock, Communication Connections (Unipolar Basic):
The minimal requirements for the user include the XRV Generator/s, High Voltage Cable and Flanges,
Cooling or Chiller, Personal Computer and the X-ray tube. All other requirements such as a lead
enclosure, circuit breakers, grounding equipment, interlock switches, safety monitoring and grounding
devices are the responsibility of the user. The input power cables should be the last connections
installed.
The XRV Generator I/O connector has provisions for safety interlock circuitry that will terminate high
voltage. A safety interlock chain is comprised of normally pen switches or contacts that close in a series
circuit in order to enable high voltage operation. If the user wishes to enable high voltage but one or
more safety interlocks are open, the high voltage is inhibited until the interlock is satisfied. Interlocks
may be latching or non-latched. Latched interlocks occur after high voltage is on and the user must

Related product manuals