EasyManua.ls Logo

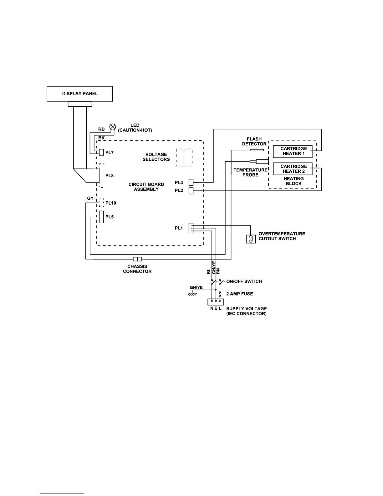
Stanhope-Seta 30000-0 - Figure 8 30000-0 Wiring Schematic Diagram

Stanhope-Seta 30000-0
44 pages
Print Icon
To Next Page IconTo Next Page
To Next Page IconTo Next Page
To Previous Page IconTo Previous Page
To Previous Page IconTo Previous Page
Loading...
Pubn No: 30000H0K
Figure 8 30000-0 Wiring Schematic Diagram
Issue K
10 Jun 2007
38

Table of Contents