EasyManua.ls Logo

Stanley 204143 - Attachment 3: Magic-Swing Wiring Diagram-iQ

Stanley 204143
48 pages
To Next Page IconTo Next Page
To Next Page IconTo Next Page
To Previous Page IconTo Previous Page
To Previous Page IconTo Previous Page
Loading...
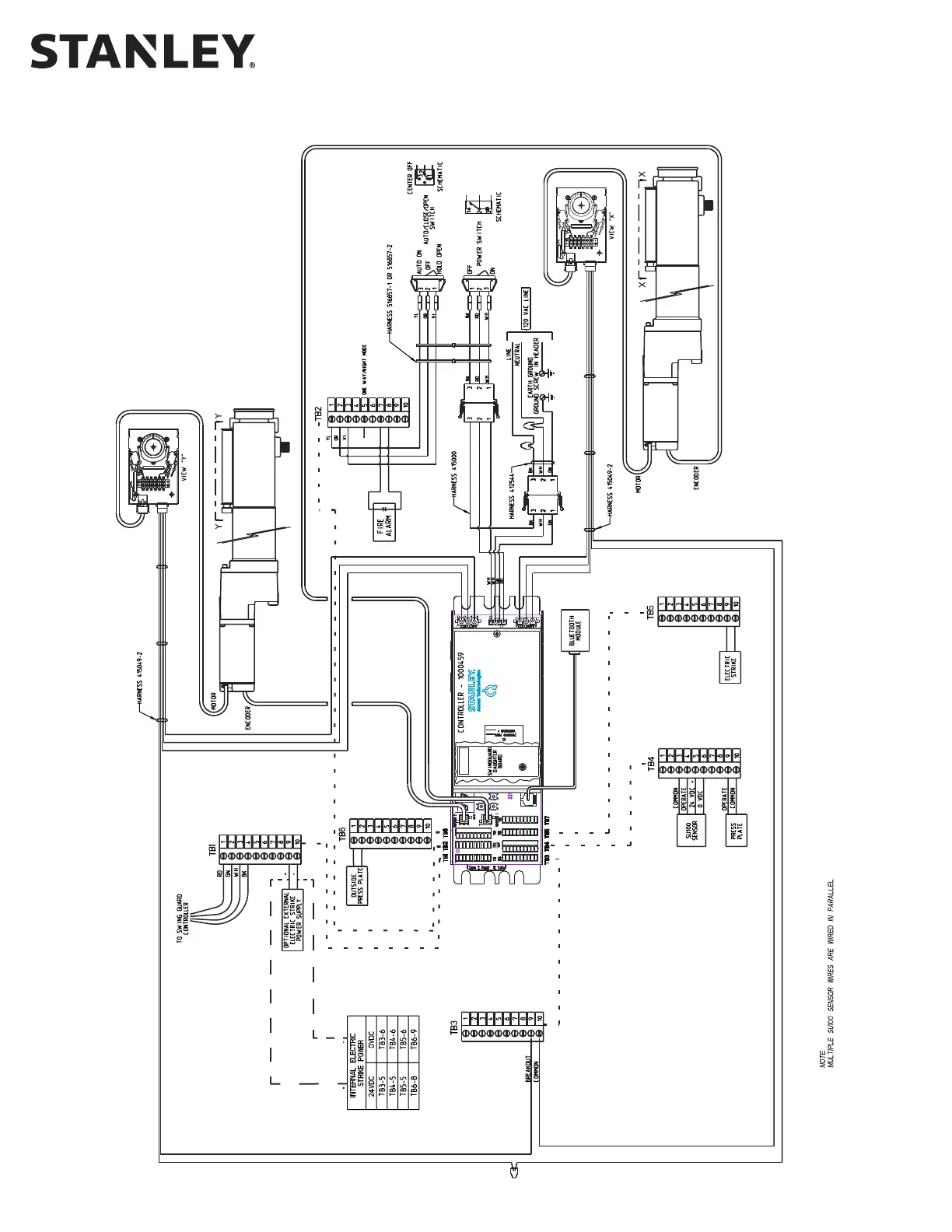
iQ Control Box
22 Document # 204143 REV 5 • www.stanleyaccess.com • 1.800.7.ACCESS
Copyright 2019, Stanley Access Technologies, LLC. All rights reserved. Reproduction
in whole or in part without the express written permission of Stanley is prohibited.
10.18.2019
Attachment 3
Magic-Swing Wiring Diagram—iQ
(Sheet 1 of 1)
JP301

Related product manuals