EasyManua.ls Logo

stellar labs 7630 - Installation Overview - Continued

Default Icon
57 pages
Print Icon
To Next Page IconTo Next Page
To Next Page IconTo Next Page
To Previous Page IconTo Previous Page
To Previous Page IconTo Previous Page
Loading...
Stellar
®
7630 Telescopic Crane Owner’s Manual PN: 106864| Page 11
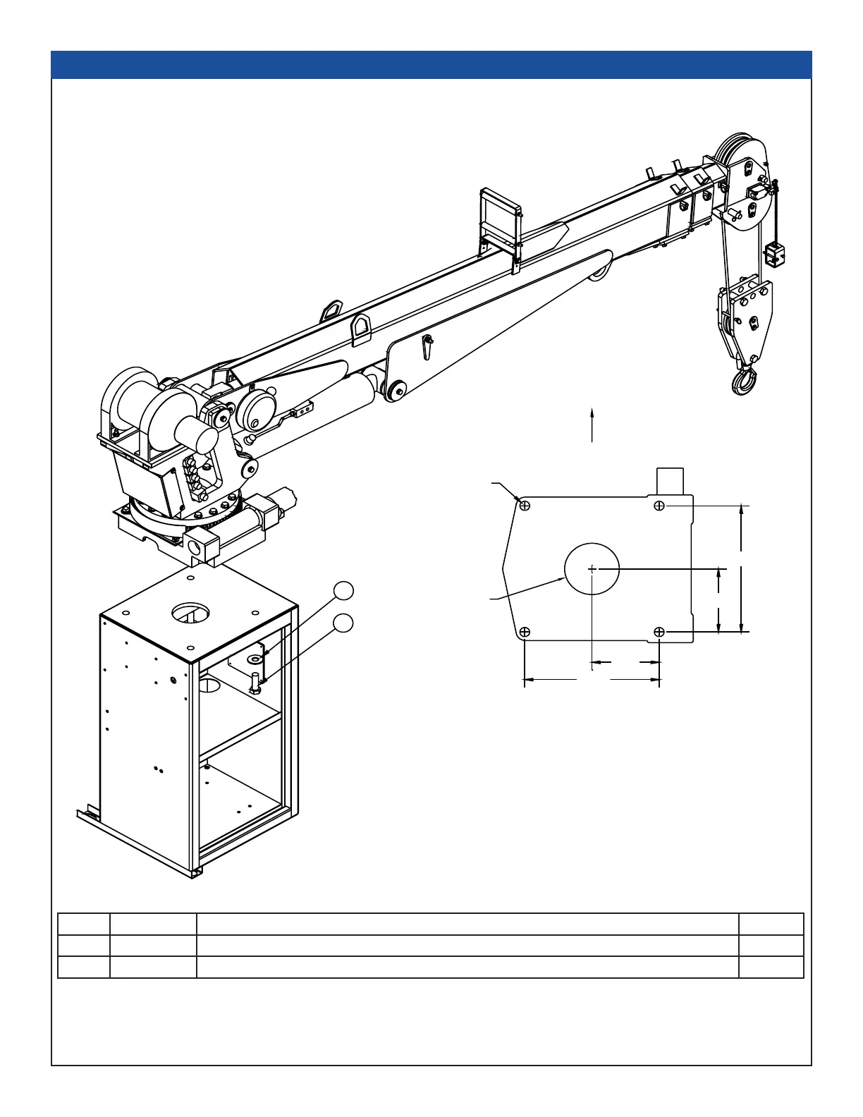
Installation Overview - Continued
2
1
FRONT
Motor
Hole Mounting Detail
Ø1.063
7.38
14.75
7.38
14.75
Ø6.00
4 Places
ITEM PART DESCRIPTION QTY
1 5199 CAP SCR 1.00-8X3.00 HHGR8 4
2 6538 WASHER 1.00 SAE FLAT YELLOW GR8 4

Table of Contents

Related product manuals