EasyManua.ls Logo

stellar labs 7630 - Hydraulic Kit - PN 107780

Default Icon
57 pages
Print Icon
To Next Page IconTo Next Page
To Next Page IconTo Next Page
To Previous Page IconTo Previous Page
To Previous Page IconTo Previous Page
Loading...
Page 20 | Stellar
®
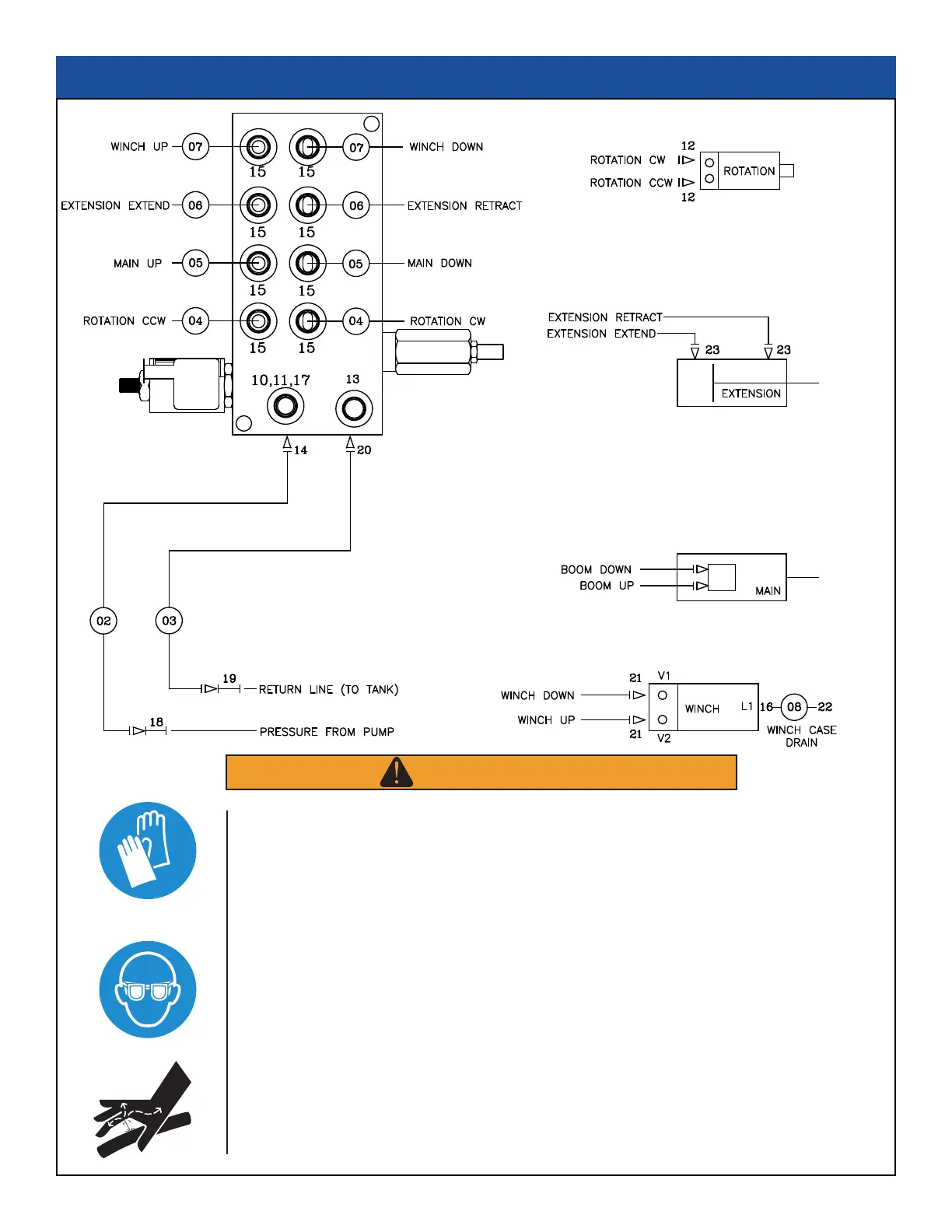
7630 Telescopic Crane Owner’s Manual PN: 106864
NOTE: USE 12" OF HOSE PROTECTOR
P/N 17288 OVER THE 3 WINCH HOSES
NOTE: USE 32" OF HOSE PROTECTOR
P/N 17288 OVER THE ROTATION HOSES
Hydraulic Kit - PN 107780
HYDRAULIC FLUID HAZARDS
High pressure fluid leak will pierce skin.
• Release pressure before working on system.
STAND CLEAR OF POTENTIAL HIGH
PRESSURE HYDRAULIC FLUID LEAKS
• Wear sturdy gloves and goggles. Detect leaks
with wood or cardboard. NEVER use fingers.
• Fluid injected in skin will injure or kill and
must be surgically removed by trained doctor
immediately or gangrene will result.
BURN HAZARD
• Oil temperatures may exceed 120°F (35°C).
• Do not touch hydraulic system.
• Hot surface can burn.
CHECK HYDRAULIC HOSES, TUBES, AND PIPES DAILY.
WARNING

Table of Contents

Related product manuals