EasyManua.ls Logo

Stryker 1000 - Page 43

Stryker 1000
83 pages
Print Icon
To Next Page IconTo Next Page
To Next Page IconTo Next Page
To Previous Page IconTo Previous Page
To Previous Page IconTo Previous Page
Loading...
40
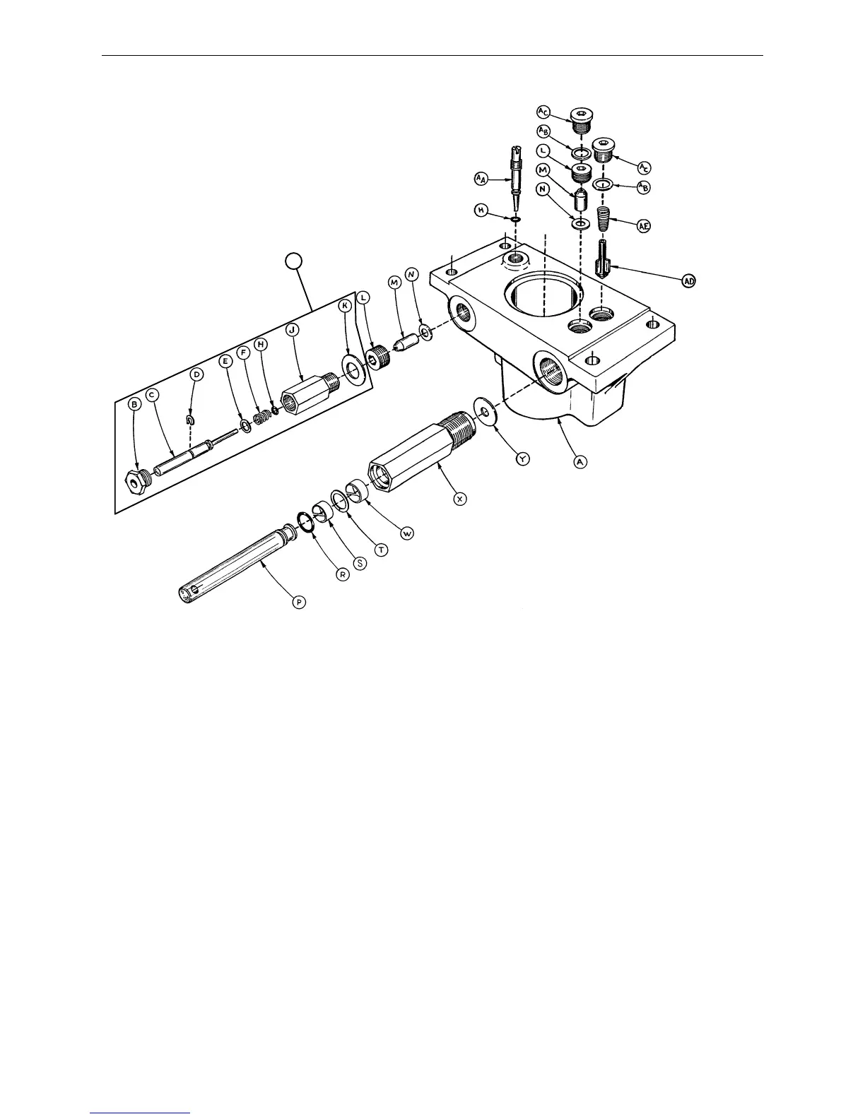
7151300 Jack Base Assembly
AF
Item Part No. Part Name Qty.
A 7151312 Base, Machined 1
B 7151308 Base Plug 1
C 7151306 Pin 1
D288 Snap Ring 1
E 3902176 Washer 1
F38231 Compression Spring 1
H456ORing 2
J 7151305 Pin Housing 1
K 7151330 Housing Gasket 1
L 7151309 Valve Plug 2
M 92620153 Check Valve 2
N 92620154 Seal 2
P 7151318 Pump Piston 1
R45110 ORing 1
S 7151328 Piston Wear Ring 1
T1450 Bearing Retainer 1
W 7151327 Cylinder Wear Ring 1
X 7151316 Pump Cylinder 1
Y 7151329 Pump Seal 1
AA 7151307 Needle Valve 1
AB 92620156 Seal 2
AC 7151301 Base Plug 2
AD 7151341 Poppet 1
AE 3902134 Conical Comp. Spring 1
AF 715100312 Pin Housing Assembly 1

Table of Contents

Related product manuals