EasyManua.ls Logo

Sukup Sweepway - Backboard Scraper Installation

Default Icon
92 pages
Print Icon
To Next Page IconTo Next Page
To Next Page IconTo Next Page
To Previous Page IconTo Previous Page
To Previous Page IconTo Previous Page
Loading...
Installation
24
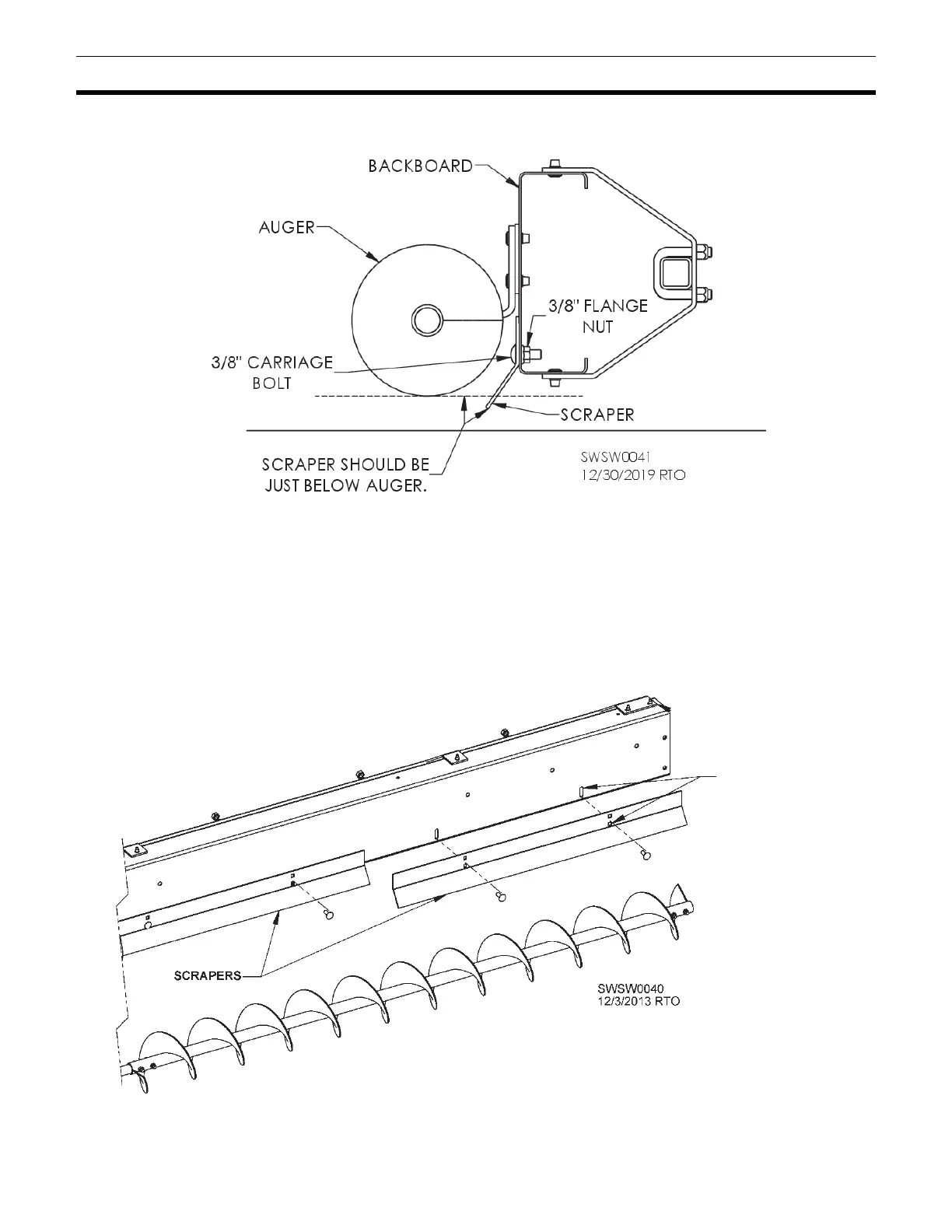
BACKBOARD SCRAPER INSTALLATION
1. Attach scrapers to backboard using 3/8 x 1” carriage bolts, with heads of bolts on auger side of
backboard. See Fig. 27. Place scraper’s short side flat against backboard as shown and align
scraper holes with slots. See Fig. 28. Adjust scraper sections so bottoms are just below auger as
shown in Fig. 27. Tighten 3/8” flange nuts. NOTE: Setting scraper too low will limit forward travel
of sweep auger and reduce unload capacity.
Fig. 27
Fig. 28
NOTE: SCRAPERS HAVE TWO SETS OF HOLES.
ATTACH EACH SCRAPER USING HOLES THAT
PROVIDE DESIRED CLEARANCE FROM FLOOR.
ALIGN SCRAPER
HOLES WITH SLOTS
IN BACKBOARD.