EasyManua.ls Logo

Sukup Sweepway - Operation; Sweepway Operating Instructions

Default Icon
92 pages
Print Icon
To Next Page IconTo Next Page
To Next Page IconTo Next Page
To Previous Page IconTo Previous Page
To Previous Page IconTo Previous Page
Loading...
Operation
38
OPERATING INSTRUCTIONS
IMPORTANT: This sweep is designed for single-stage sweeping only. Verify that bin is designed
for single-stage sweeping.
Standard Sukup grain bins are designed with anchors that allow sweeping of entire diameter of bin in
one stage. However, older Sukup bins 72’ dia. and larger that do not have two anchors per stiffener
should be swept in multiple stages beginning with inner section of floor, and then outer section after
sweep extension is added. Additional anchor brackets can be purchased from Sukup Manufacturing Co.
and retrofitted to enable single-stage sweeping.
For single-stage sweeping of Sukup bins 54’ to 105’ in diameter, bin must have 1” Grade 5 anchor bolts
(17” deep for “Inverted T” foundation, or deep into stemwall ring rebar zone for “T-Cap”), with a minimum
of 7-1/2” from anchor to outside edge of stemwall. Check bin anchor specifications prior to using sweep.
Bins by other manufacturers that are 60’ dia. or less may be swept in one stage provided anchors have
been inspected and found suitable for single-stage sweeping. (Contact bin manufacturer for further
information). For larger bins by others, sweep in multiple stages: Use only inner section of sweep on first
pass, making one revolution around bin, then connect outer section and sweep remainder of bin.
DANGER: KEEP AWAY when auger is running. Entanglement with rotating auger will
cause death or serious injury.
NOTICE: If bin is equipped with a Cluster Buster, ensure neither rod nor cable is in torsion bar. If bin is
equipped with a sidedraw, do not use at same time sumps are being used to unload grain.
1. Start horizontal (and vertical if applicable) unload auger(s). Open center sump. Unload grain from
center sump until gravity flow stops.
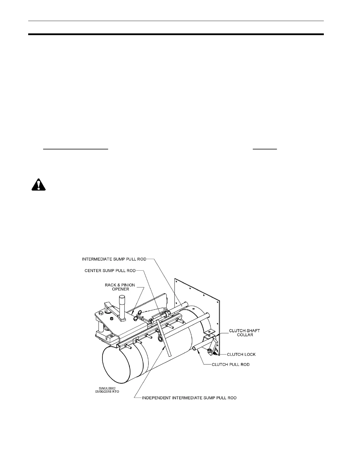
2. Open intermediate sumps, allowing additional gravity flow into unloading auger. If bin has an
independent intermediate sump, open it by pulling rod shown in Fig. 42.
3. When grain flow stops, shut off power to system. Engage sweep auger by pulling clutch rod.
NOTICE: Power must be shut off before engaging sweep auger to prevent damage to clutch
assembly.
Fig. 42