EasyManua.ls Logo

Suzuki Swift - Page 225

Suzuki Swift
557 pages
Print Icon
To Next Page IconTo Next Page
To Next Page IconTo Next Page
To Previous Page IconTo Previous Page
To Previous Page IconTo Previous Page
Loading...
ENGINE GENERAL INFORMATION AND DIAGNOSIS (SFI FOR G13) 6-1-69
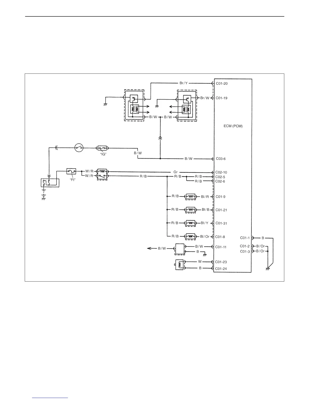
Ignition coil assembly
for No.1 & No.4 spark plugs
Ignition coil assembly
for No.2 & No.3 spark plugs
Ignition switch
Main relay
Main
fuse
Relay box
To ignition switch
CKP sensor
CMP sensor
No.1 injector
No.2 injector
No.3 injector
No.4 injector
Fuse box
DTC P0300 RANDOM MISFIRE DETECTED (Misfire detected at 2 or more
cylinders)
DTC P0301 CYLINDER 1 MISFIRE DETECTED
DTC P0302 CYLINDER 2 MISFIRE DETECTED
DTC P0303 CYLINDER 3 MISFIRE DETECTED
DTC P0304 CYLINDER 4 MISFIRE DETECTED
CIRCUIT DESCRIPTION
ECM (PCM) monitors crankshaft revolution speed and engine speed via the crankshaft position sensor and cylin-
der No. via the camshaft position sensor. Then it calculates the change in the crankshaft revolution speed and from
how many times such change occurred in every 200 or 1000 engine revolutions, it detects occurrence of misfire.
When ECM (PCM) detects a misfire (misfire rate per 200 revolutions) which can cause overheat and damage to
the three way catalytic converter, it makes the malfunction indicator lamp (MIL) flash as long as misfire occurs at
that rate.
After that, however, when the misfire rate drops, MIL remains ON until it has been judged as normal 3 times under
the same driving conditions.
Also, when ECM (PCM) detects a misfire (misfire rate per 1000 revolutions) which will not cause damage to three
way catalytic converter but can cause exhaust emission to be deteriorated, it makes MIL light according to the 2
driving cycle detection logic.

Table of Contents