EasyManua.ls Logo

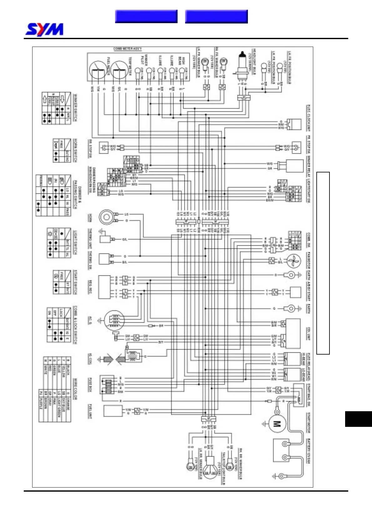
Sym HD 125 - 18. ELECTRICAL DIAGRAM

Sym HD 125
211 pages
Print Icon
To Next Page IconTo Next Page
To Next Page IconTo Next Page
To Previous Page IconTo Previous Page
To Previous Page IconTo Previous Page
Loading...
18. ELECTRICAL DIAGRAM
18-1
HD125 / 200 ELECTRICAL DIAGRAM
18
Home page
Contents

Table of Contents

Related product manuals