EasyManua.ls Logo

Systema Eolo 20AE Series - Separate Wall Discharge for Eolo30-50-70-90 (Type C12)

Systema Eolo 20AE Series
48 pages
Print Icon
To Next Page IconTo Next Page
To Next Page IconTo Next Page
To Previous Page IconTo Previous Page
To Previous Page IconTo Previous Page
Loading...
Gas airtight suspended warm air heaters - EOLO
30
SYSTEMA S.p.A.
Rev. 10EE0112
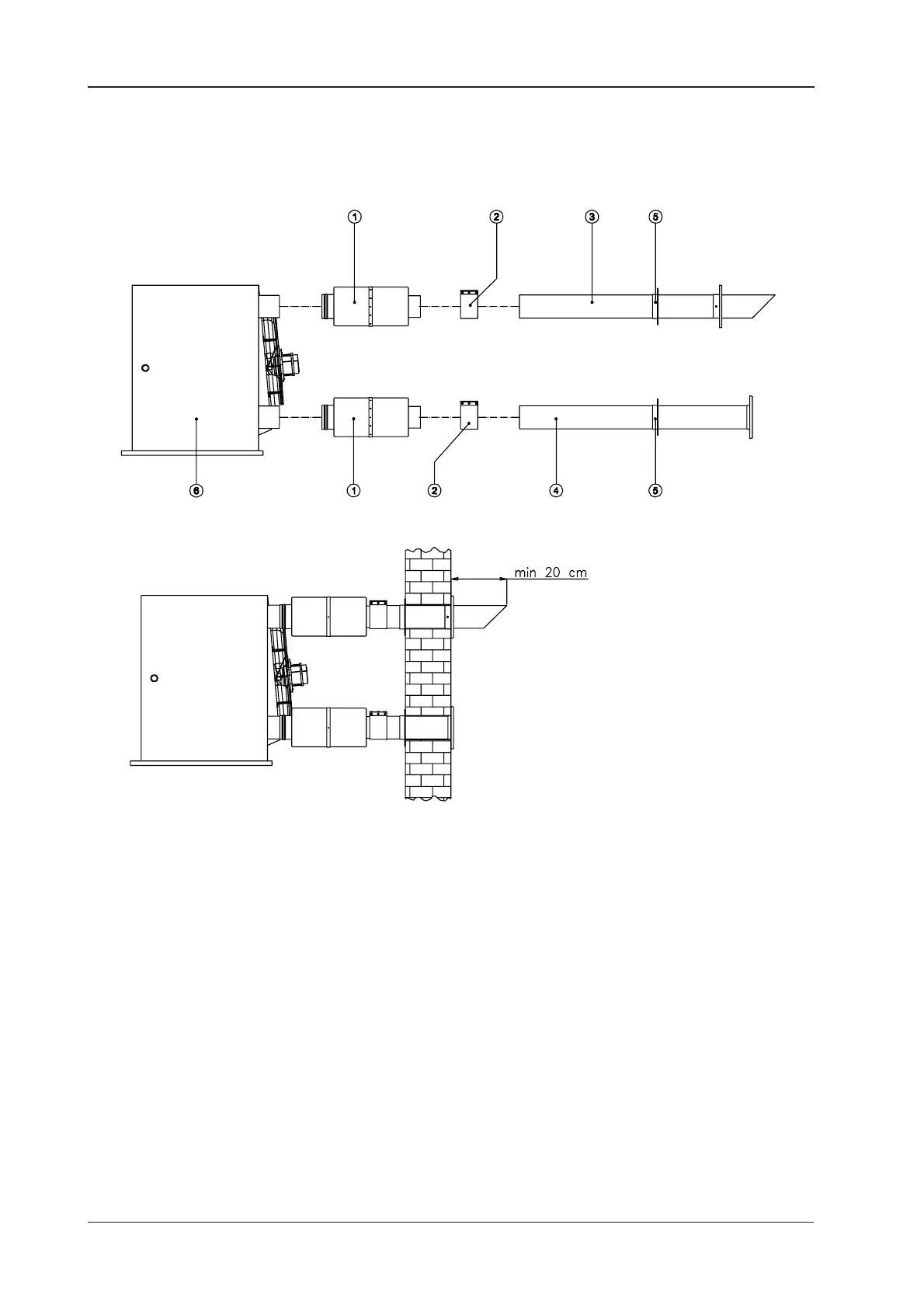
Fig. 23 Example of separate wall discharge for Eolo30/50/70/90
1= Silencer
2= Clamping band
3= Wall fume termination Ø 100 mm
4= Wall air termination Ø 100 mm
5= Hole flange
6= Eolo
6.6 Separate wall discharge for Eolo30-50-70-90 (type C12)

Table of Contents