EasyManua.ls Logo

Systema Eolo 20AE Series - 8 Electrical System; Connection Diagram to CE Type Boards Mod. 04 CEQU1202 (Without Timer) and Mod. 04 CEQU1203 (with Timer)

Systema Eolo 20AE Series
48 pages
Print Icon
To Next Page IconTo Next Page
To Next Page IconTo Next Page
To Previous Page IconTo Previous Page
To Previous Page IconTo Previous Page
Loading...
Gas airtight suspended warm air heaters - EOLO
33
SYSTEMA S.p.A.
Rev. 10EE0112
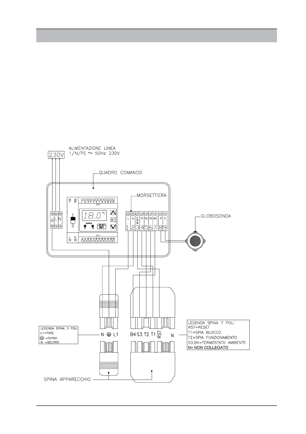
Fig. 25 Connection to the series CE board
8 ELECTRICAL SYSTEM
8.1 Connection diagram to CE type boards mod. 04CEQU1202
(without timer) and mod. 04CEQU1203 (with timer)
All electrical connection must be performed in compliance with the regulations in force in the country in
which the system is installed.
Refer to the wiring diagram given in this manual to connect the control board to the appliance.
In particular:
a) Use an electrical cable with no. 8 wires, for phase, neutral, earth, appliance reset, operating
telltale, shut-down telltale and ambient thermostat.
b) Check that it is accurately earthed and comply with the phase and neutral connections; otherwise
the series CE control board will break.
c) Position the ambient thermostat at a height of 1.5  1.8 m from the ground.

Table of Contents