EasyManua.ls Logo

Systema Eolo 20AE Series - Page 35

Systema Eolo 20AE Series
48 pages
Print Icon
To Next Page IconTo Next Page
To Next Page IconTo Next Page
To Previous Page IconTo Previous Page
To Previous Page IconTo Previous Page
Loading...
Gas airtight suspended warm air heaters - EOLO
35
SYSTEMA S.p.A.
Rev. 10EE0112
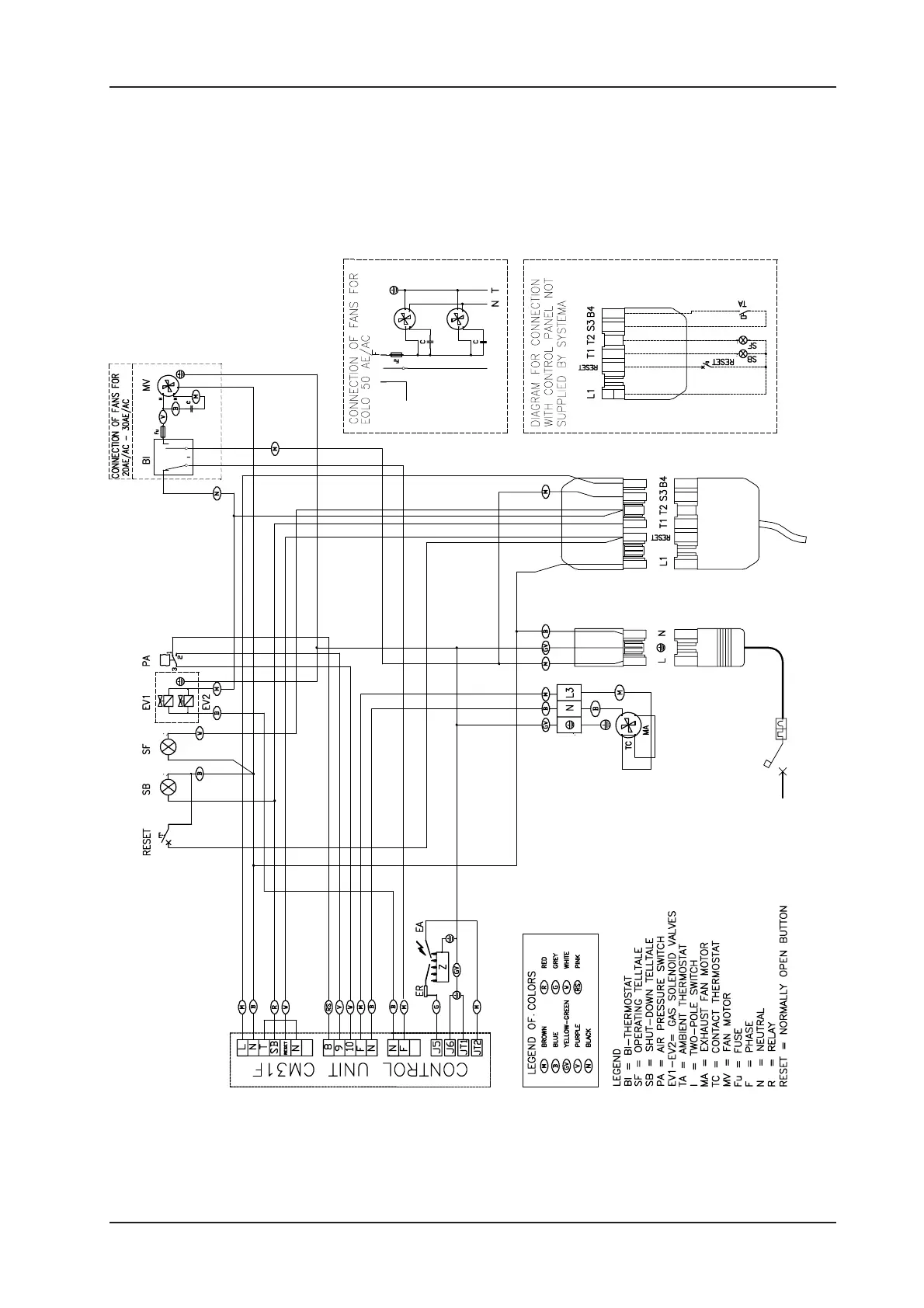
Fig. 27 Eolo internal connection diagram with
control unit CM 31F
8.3 Internal wiring diagram Eolo 20-30-50
Electrical supply
1/N/PE ~ 50Hz 230V
To the control board
on the ground

Table of Contents