EasyManua.ls Logo

Taie FY900 - Motor Valve Control

Default Icon
89 pages
Print Icon
To Next Page IconTo Next Page
To Next Page IconTo Next Page
To Previous Page IconTo Previous Page
To Previous Page IconTo Previous Page
Loading...
47 FY operation manual
11.6 Motor Valve Control
Description
FY/FA motor valve control function converts the control output value of the controller into the corresponding signal to
control a motor driven valve and then performs temperature control of a controlled object by regulating fluid flow.
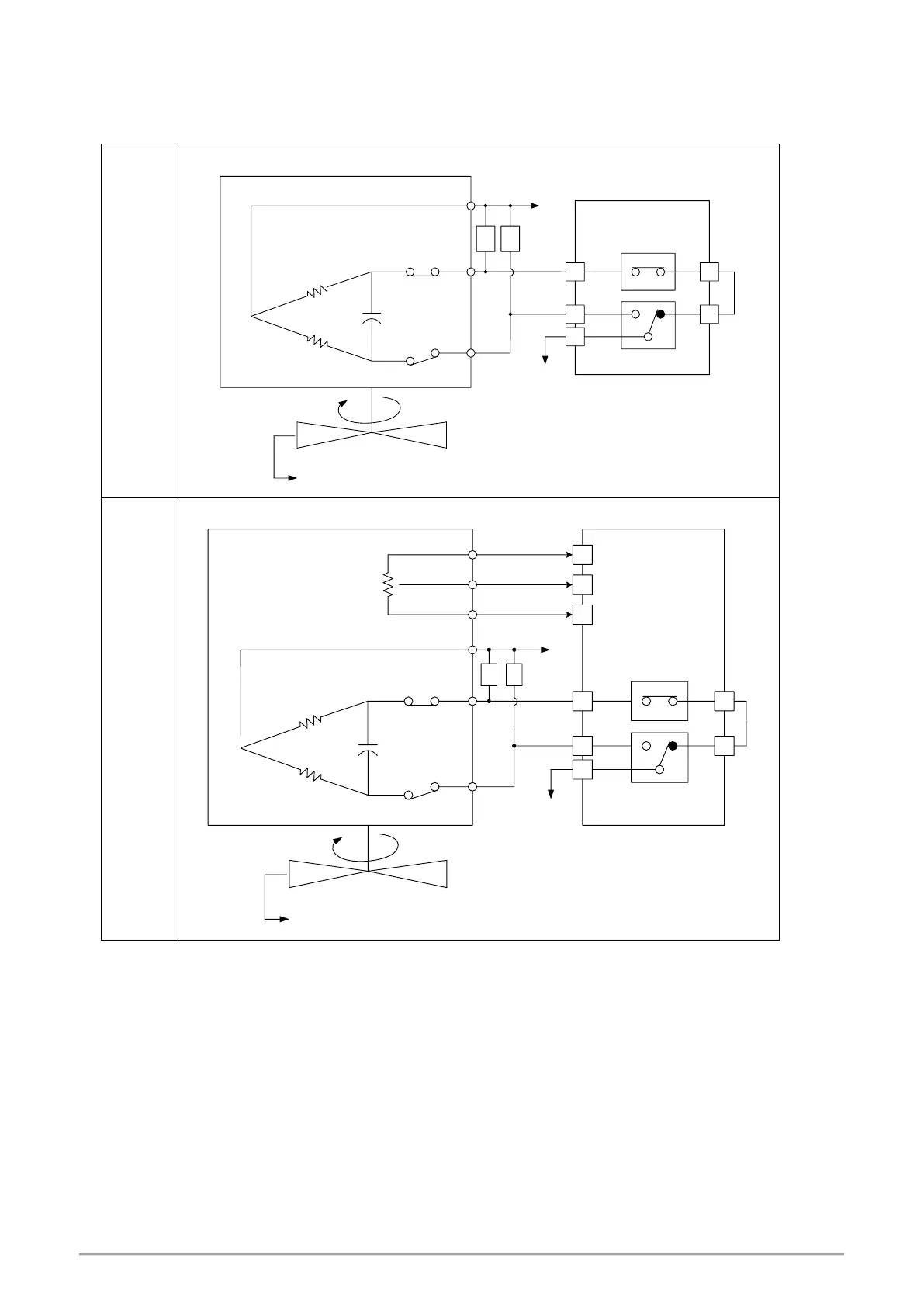
Function Diagram
Without
resistance
feedback
R
CLOSE
OPEN
Motor valve
S
COM
CLOSE
OPEN
COM
ball valveLow pressure, general use
needle valveHigh pressure, High precision use
FY600/800/900
Controller
7
8
10
6
9
RC RC
With
resistance
feedback
FY600/800/900
Controller
R
CLOSE
OPEN
Motor valve
S
COM
CLOSE
OPEN
COM
ball valveLow pressure, general use
needle valveHigh pressure, High precision use
signal feedback
1KΩ
CLOSE
WIPER
OPEN
CLOSE
COM
OPEN
14
15
16
7
8
10
6
9
RC RC
Description of function
When the feedback resistance is provided
1. Adjusting valve position automatically
2. The valve position can be manually changed.
3. Force the controller to switch to no feedback resistance control mode when feedback resistance input breaks
4. High/Low limit of valve position can be set.
When the feedback resistance is not provided:
1. Control motor operation can be restricted by the parameter “OUTL.
2. The UP/DOWN key is used to output opening or closing signal in manual mode
2.1 UP key(open-side)
While the UP key is being pressed, open-side output (OUT1) is output continuously.
Releasing the UP key turns off the output on the open-side to hold the opened state at that time.
2.2 DOWN key(close-side)
While the DOWN key is being pressed, close-side output (OUT2) is output continuously.
Releasing the DOWN key turns off the output on the closed-side to hold the opened state
at that time.

Table of Contents

Other manuals for Taie FY900

Related product manuals