EasyManua.ls Logo

Taylor C834 - C838 Exploded View

Taylor C834
219 pages
Print Icon
To Next Page IconTo Next Page
To Next Page IconTo Next Page
To Previous Page IconTo Previous Page
To Previous Page IconTo Previous Page
Loading...
108
Parts
McDonald's Intelligap Grills
150218
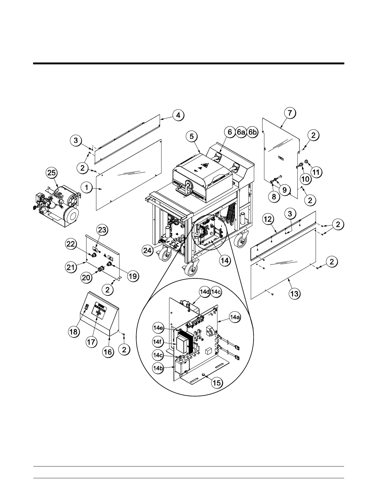
C838 Exploded View
Figure 59

Table of Contents

Related product manuals