EasyManua.ls Logo

TDK-Lambda Z10-20 - Slave Unit Set up; Setting over Voltage Protection; Setting Foldback Protection; Connection to Load

TDK-Lambda Z10-20
130 pages
Print Icon
To Next Page IconTo Next Page
To Next Page IconTo Next Page
To Previous Page IconTo Previous Page
To Previous Page IconTo Previous Page
Loading...
55
5.5.2.2 Slave Unit Set Up
When Slave mode is selected the power supply enters Current programming mode via external
Voltage. Voltage and Current programming setting values are set to 105% of range. During operation
the slave units operate as a controlled current source following the master output current. It is
recommended that the power system is designed so that each unit supplies up to 95% of its current
rating. This helps reduce imbalance which may occur by cabling and connections voltage drop.
1. Press MENU button
2. Rotate Voltage Encoder until ”r” appears on Voltage display, then press Voltage Encoder.
3. Rotate Current Encoder until ”S” appears.
4. Press Current Encoder to select ”S. Display blinks once and returns to previous display.
5. For wiring instructions, refer to Fig.5-4: Parallel connection with local sensing or Fig.5-5:
Parallel connection with remote sensing.
5.5.2.3 Setting Over Voltage Protection
The master unit OVP should be programmed to the desired OVP level. In slave mode, the power
supply is set to maximum as default.
5.5.2.4 Setting Foldback Protection
Foldback protection, if desired, may only be used with the master unit. When the master unit shuts
down it programs the slave units to zero output voltage.
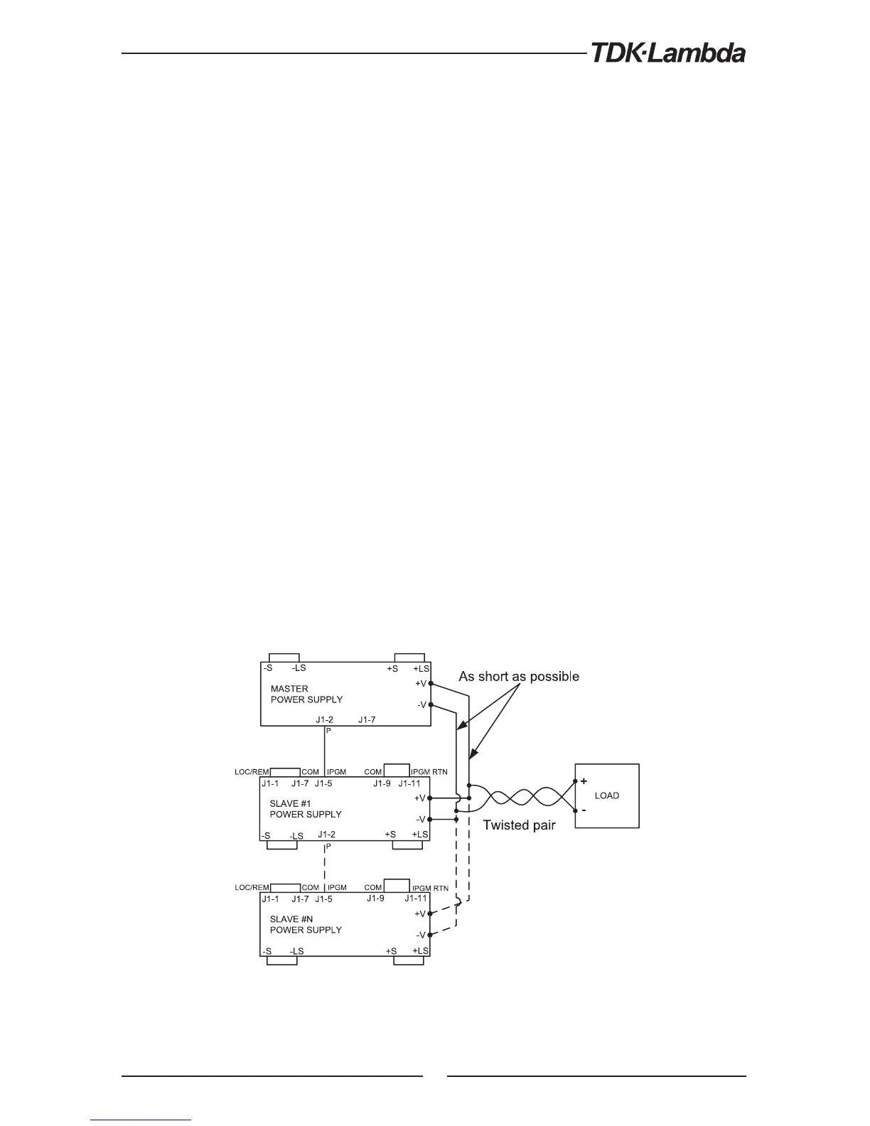
5.5.2.5 Connection to Load
In parallel operation, power supplies can be connected in local or remote sensing. Refer to Fig.5-4
and 5-5 for typical connections of parallel power supplies. The figures show connection of two
units, however the same connection method applies for up to 6 units.
Fig.5-4: Parallel connection with local sensing

Table of Contents

Related product manuals