EasyManua.ls Logo

Technosoft IDM240-5EI - Page 38

Technosoft IDM240-5EI
106 pages
Print Icon
To Next Page IconTo Next Page
To Next Page IconTo Next Page
To Previous Page IconTo Previous Page
To Previous Page IconTo Previous Page
Loading...
© Technosoft 2011 27
IDMx40 Technical Reference
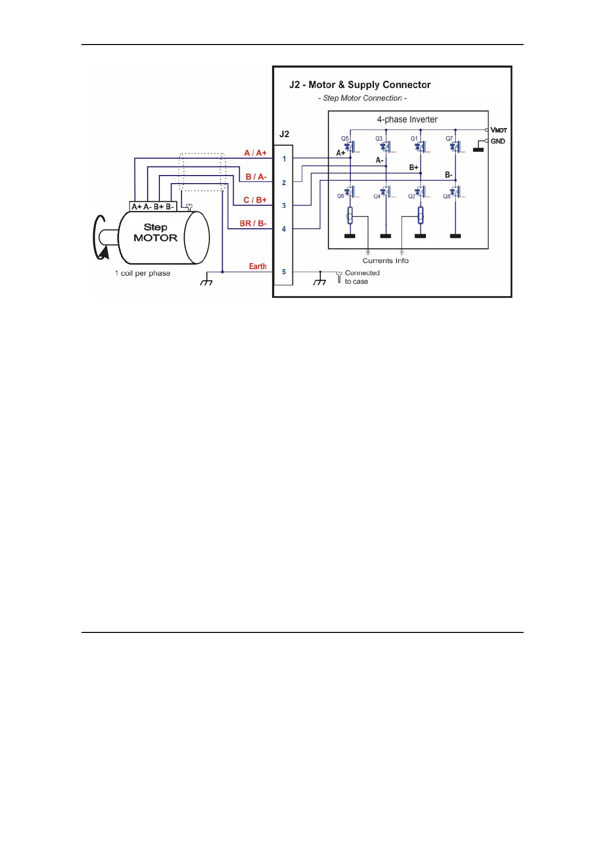
Figure 3.10. J2 – Step motor connection – 2-phase motor with 1 coil per phase
Remark: The EARTH signal is connected internally to the metal case and to all SHIELD signals.
It is completely insulated from all electric signals of IDMx40-8EI this feature may facilitate avoiding
ground loops. It is recommended that Earth be connected to GND at only one point, preferably
close to the V
MOT
supply output.
IDMx40

Table of Contents