EasyManua.ls Logo

Technosoft IDM240-5EI - Page 57

Technosoft IDM240-5EI
106 pages
Print Icon
To Next Page IconTo Next Page
To Next Page IconTo Next Page
To Previous Page IconTo Previous Page
To Previous Page IconTo Previous Page
Loading...
© Technosoft 2011 46
IDMx40 Technical Reference
Remarks:
1. When using 24 V Pulse & Direction connection, leave Pins 12 – IN#37/D5V and 13 –
IN#38/P5V – open.
2. When IN#38/P5V is used as PULSE input in Pulse & Direction motion mode, on each
falling edge the reference (or feedback) is incremented / decremented.
3. When IN#37/D5V is used as DIRECTION input in Pulse & Direction motion mode, the
reference (or feedback) is incremented if this pin is pulled low.
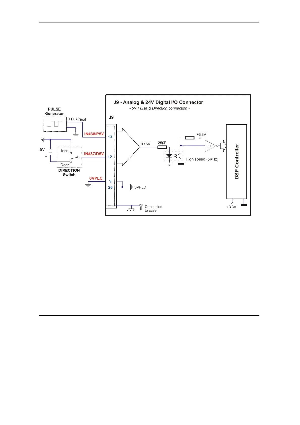
Figure 3.26. J9 – 5V Pulse & Direction connection
Remarks:
1. When using 5 V Pulse & Direction connection, leave Pins 12 – IN#37/D5V and 13 –
IN#38/P5V –- open.
2. When IN#38/P5V is used as PULSE input in Pulse & Direction motion mode, on each
rising edge the reference (or feedback) is incremented / decremented.
3. When IN#37/D5V is used as DIRECTION input in Pulse & Direction motion mode, the
reference (or feedback) is incremented if this pin is pulled low.
IDMx40

Table of Contents