EasyManua.ls Logo

tell Gate Control BASE 1000 - Page 9

tell Gate Control BASE 1000
64 pages
Print Icon
To Next Page IconTo Next Page
To Next Page IconTo Next Page
To Previous Page IconTo Previous Page
To Previous Page IconTo Previous Page
Loading...
9
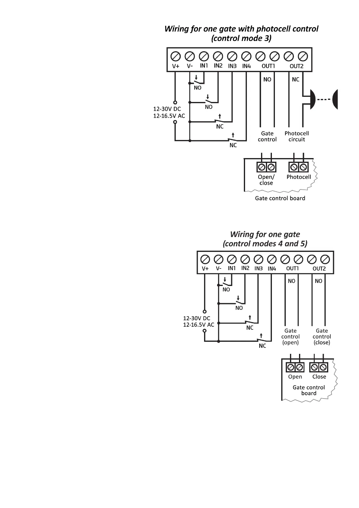
Control mode 3:
- For single-gate automations
that require triggers for opening
and closing on the same input.
- Opening and then closing by a
single call.
- Output OUT1 is normally open
(NO), while OUT2 is normally
closed (NC).
- Output OUT1 is used to control
the gate, while OUT2 is used to
interrupt the photocell sensor
circuit, thereby providing an
option to hold the gate locked in
open state for the configured
period.
- Holding the gate locked in open
state permanently on a second
call.
Control mode 4:
- For single-gate automations that require
triggers for opening and closing on
different inputs.
- Opening and then closing by a single
call.
- Both outputs are normally open (NO).
- The opening trigger signal is provided
by output OUT1, and the closing trigger
signal is provided by output OUT2.
- Holding the gate locked in open state
permanently on a second call.
Control mode 5:
- For single-gate automations that require
triggers for opening and closing on
different inputs.
- Opening and then closing by separate calls.
- Both outputs are normally open (NO).
- The opening trigger signal is provided by output OUT1, and the closing trigger signal is
provided by output OUT2.

Table of Contents

Related product manuals