EasyManua.ls Logo

Testomat 808 - Plant Example Testomat 808

Testomat 808
46 pages
Print Icon
To Next Page IconTo Next Page
To Next Page IconTo Next Page
To Previous Page IconTo Previous Page
To Previous Page IconTo Previous Page
Loading...
Installation
15
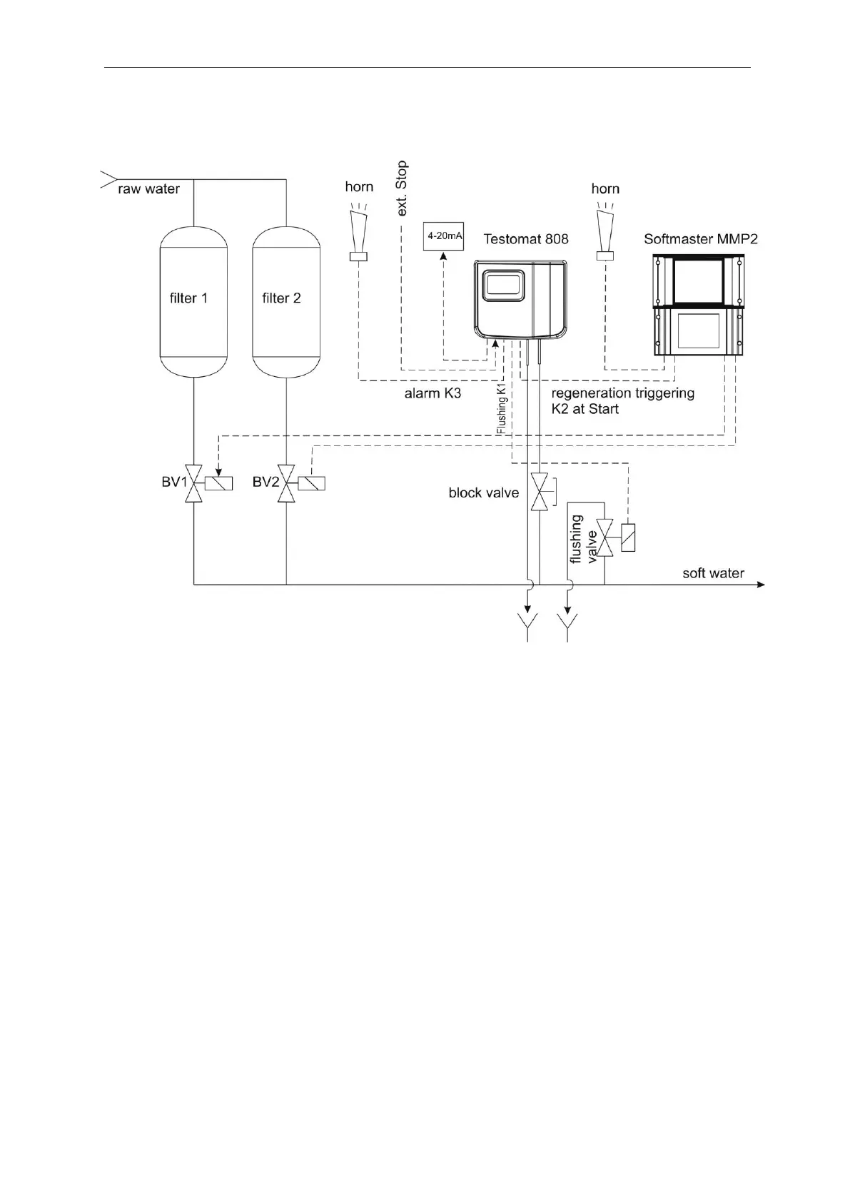
Plant example Testomat
®
808

Table of Contents