EasyManua.ls Logo

Texas Instruments AFE5832 - Page 65

Texas Instruments AFE5832
83 pages
Print Icon
To Next Page IconTo Next Page
To Next Page IconTo Next Page
To Previous Page IconTo Previous Page
To Previous Page IconTo Previous Page
Loading...
0.1uF
C93
0.1uF
C94
GND
GND
1 2
3 4
5 6
J40
0.1uF
C96
0.1uF
C92
0.1uF
C95
1 2
3 4
5 6
J42
ADC_CLKP ADC_CLKM
GND
GND
10uFC97
1
2
J41
GND
ADC CLOCK
0.1uF
C101
0.1uF
C100
100
R57
100
R56
1
2
3
4
5
6
J44
0.1uF
C102
0.1uF
C99
GND
GND
GND
CW16X_CLEAN_P
CLKM_16X
CLKP_16X
CLKP_16XA_F
CLKM _16XA_F
0.1uF
C105
0.1uF
C104
100
R59
100
R58
1
2
3
4
5
6
J45
0.1uF
C106
0.1uF
C103
GND
GND
GND
CW1X_CLEAN_P
CLKM_1X
CLKP_1X
CLKP_1XA_F
CLKM _1XA_F
CW CLOCK
+3.3VD
CLKP_1RCA CLKM _1RCA
CLKM _1RC
CLKP_1RC
CLK_CM_16X
GND
CLK_CM_1X
CW1X_CLEAN_N
CW16X_CLEAN_N
CLKsrc_Diff_M
CLKsrc_Diff_M
CLKsrc_Diff_P
CLKsrc_Diff_P
CLKP_1RCA
CLKM _1RCA
CLKsrc_SE
CLKsrc_SE
CW_CLKP1X_LMK
CLKsrc_SE_2
49.9
R53
49.9
R52
100
R45
100
R44
LMK_ADC_CLK_DIV_N
LMK_ADC_CLK_DIV_P
4
3
1000pF
C98
0
R54
DNP
0
R55
DNP
LMK_ADC_CLKP
LMK_ADC_CLKN
LMK_ADC_CLK_DIV_N
LMK_ADC_CLK_DIV_P
1000 ohm
FB3
1
2
3
4
5
J43
1
2
3
4
5
J46
1
2
3
4
5
J39
3
2
1
4
5
6
PRI SEC3
2
1 6
5
4
T3
ADT4-1WT+
3
2
1
4
5
6
PRI SEC3
2
1 6
5
4
T4
ADT4-1WT+
3
2
1
4
5
6
PRI SEC3
2
1 6
5
4
T2
ADT4-1WT+
VDD
4
E/C
1
GND
2
OUT
3
40 MHz
Y1
FXO-HC735-40
IN
2
S1
15
IN
3
VBB
4
EN
16
Y1
7
Y0
10
Y0
11
S0
13
VDDPECL
1
VDD1
8
VDD0
9
VDD0
12
EP
17
VSS
5
VSS
6
VSS
14
U2
CDCM1802RGTR
LMK_ADC_CLKP
LMK_ADC_CLKN
0R50
GND
0
R51
LMK_ADC_CLK_DIV_N
GND
60.4k
R49
GND
LMK_ADC_CLK_DIV_CMOS
LMK BUF_VCC
GND
49.9
R46
49.9
R48
49.9
R47
LMK_ADC_CLK_DIV_P
www.ti.com
AFE5832 EVM Schematic
65
SLOU489August 2017
Submit Documentation Feedback
Copyright © 2017, Texas Instruments Incorporated
Hardware Reference
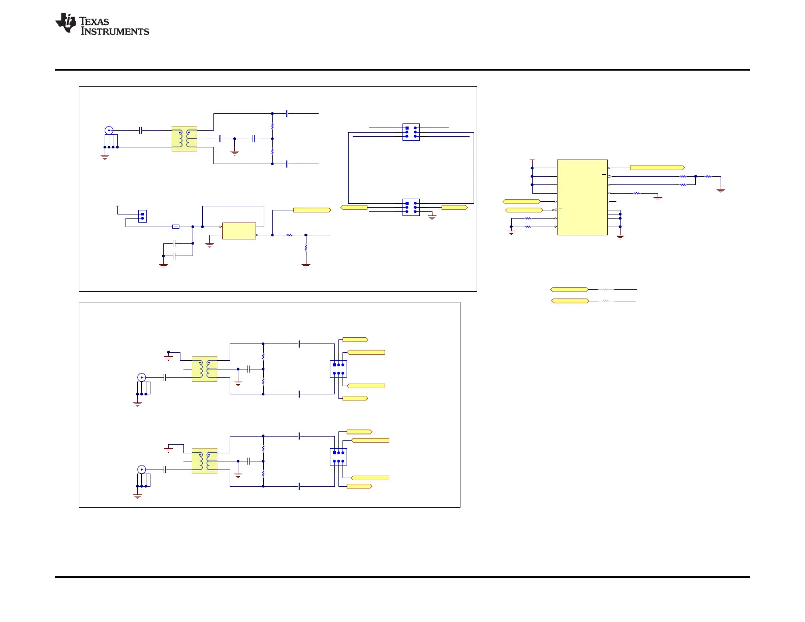
Figure 76. AFE5832 Rev. A EVM Schematic 7 of 12

Table of Contents

Related product manuals