EasyManua.ls Logo

Texas Instruments TMS320F28069 - 6.9.14 JTAG Port

Texas Instruments TMS320F28069
177 pages
Print Icon
To Next Page IconTo Next Page
To Next Page IconTo Next Page
To Previous Page IconTo Previous Page
To Previous Page IconTo Previous Page
Loading...
TRST
1
0
C28x
Core
TCK/GPIO38
TCK
XCLKIN
GPIO38_in
GPIO38_out
TDO
GPIO37_out
TDO/GPIO37
GPIO37_in
1
0
TMS
TMS/GPIO36
GPIO36_out
GPIO36_in
1
1
0
TDI
TDI/GPIO35
GPIO35_out
GPIO35_in
1
TRST
TRST
= 0: JTAG Disabled (GPIO Mode)
= 1: JTAG Mode
TRST
141
TMS320F28069
,
TMS320F28068
,
TMS320F28067
,
TMS320F28066
TMS320F28065, TMS320F28064, TMS320F28063, TMS320F28062
www.ti.com
SPRS698F NOVEMBER 2010REVISED MARCH 2016
Submit Documentation Feedback
Product Folder Links: TMS320F28069 TMS320F28068 TMS320F28067 TMS320F28066 TMS320F28065
TMS320F28064 TMS320F28063 TMS320F28062
Detailed DescriptionCopyright © 2010–2016, Texas Instruments Incorporated
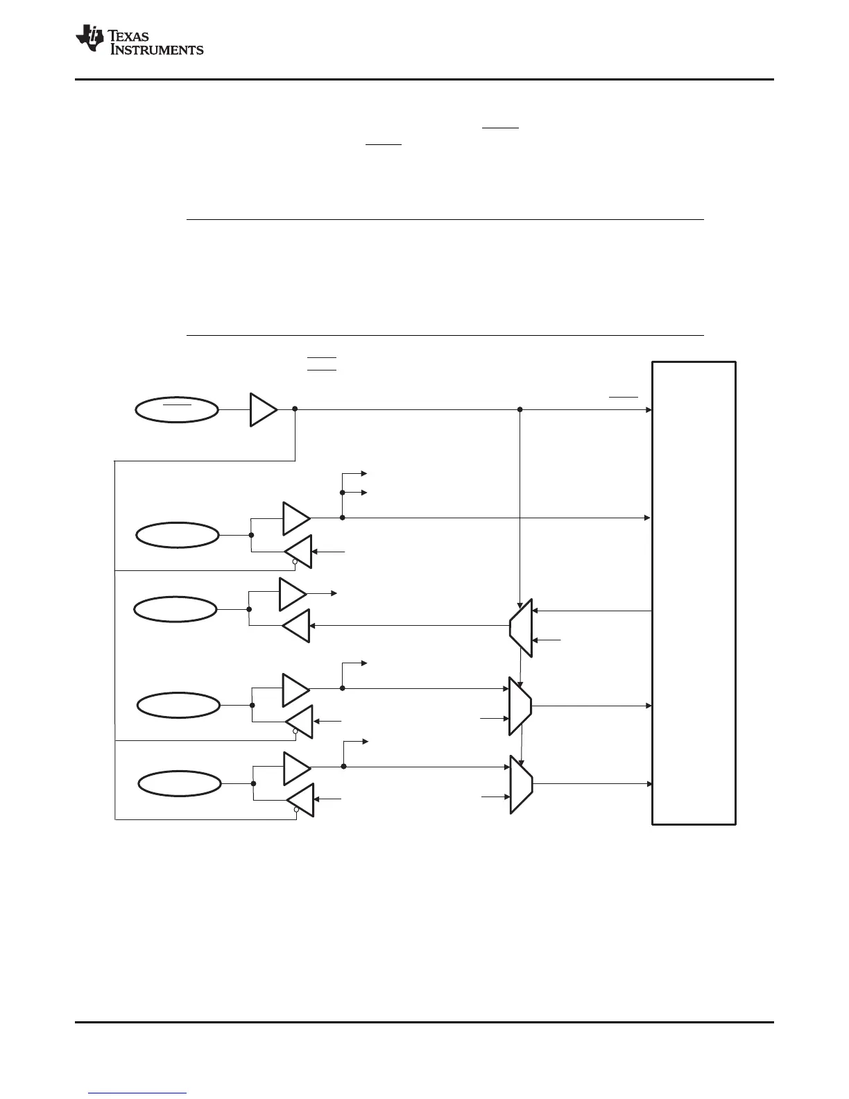
6.9.14 JTAG Port
On the 2806x device, the JTAG port is reduced to 5 pins (TRST, TCK, TDI, TMS, TDO). TCK, TDI, TMS
and TDO pins are also GPIO pins. The TRST signal selects either JTAG or GPIO operating mode for the
pins in Figure 6-54. During emulation/debug, the GPIO function of these pins are not available. If the
GPIO38/TCK/XCLKIN pin is used to provide an external clock, an alternate clock source should be used
to clock the device during emulation/debug because this pin will be needed for the TCK function.
NOTE
In 2806x devices, the JTAG pins may also be used as GPIO pins. Care should be taken in
the board design to ensure that the circuitry connected to these pins do not affect the
emulation capabilities of the JTAG pin function. Any circuitry connected to these pins should
not prevent the emulator from driving (or being driven by) the JTAG pins for successful
debug.
Figure 6-54. JTAG/GPIO Multiplexing

Related product manuals