EasyManua.ls Logo

Texas Instruments TMS320F28069 - Page 99

Texas Instruments TMS320F28069
177 pages
Print Icon
To Next Page IconTo Next Page
To Next Page IconTo Next Page
To Previous Page IconTo Previous Page
To Previous Page IconTo Previous Page
Loading...
S
SPICTL.0
SPI INT FLAG
SPI INT
ENA
SPISTS.6
S
Clock
Polarity
Talk
LSPCLK
SPI Bit Rate
State Control
Clock
Phase
Receiver
Overrun Flag
SPICTL.4
Overrun
INT ENA
SPICCR.3 - 0
SPIBRR.6 - 0
SPICCR.6
SPICTL.3
SPIDAT.15 - 0
SPICTL.1
M
S
M
Master/Slave
SPISTS.7
SPIDAT
Data Register
M
S
SPICTL.2
SPI Char
SPISIMO
SPISOMI
SPICLK
SW2
S
M
M
S
SW3
To CPU
M
SW1
RX FIFO _0
RX FIFO _1
-----
RX FIFO _3
TX FIFO Registers
TX FIFO _0
TX FIFO _1
-----
TX FIFO _3
RX FIFO Registers
16
16
16
TX Interrupt
Logic
RX Interrupt
Logic
SPIINT
SPITX
SPIFFOVF
FLAG
SPIFFRX.15
TX FIFO Interrupt
RX FIFO Interrupt
SPIRXBUF
SPITXBUF
SPIFFTX.14
SPIFFENA
SPISTE
16
0
12
3
0
12
3
4
5
6
TW
TW
TW
SPIPRI.0
TRIWIRE
SPIPRI.1
STEINV
STEINV
SPIRXBUF
Buffer Register
SPITXBUF
Buffer Register
99
TMS320F28069
,
TMS320F28068
,
TMS320F28067
,
TMS320F28066
TMS320F28065, TMS320F28064, TMS320F28063, TMS320F28062
www.ti.com
SPRS698F NOVEMBER 2010REVISED MARCH 2016
Submit Documentation Feedback
Product Folder Links: TMS320F28069 TMS320F28068 TMS320F28067 TMS320F28066 TMS320F28065
TMS320F28064 TMS320F28063 TMS320F28062
Detailed DescriptionCopyright © 2010–2016, Texas Instruments Incorporated
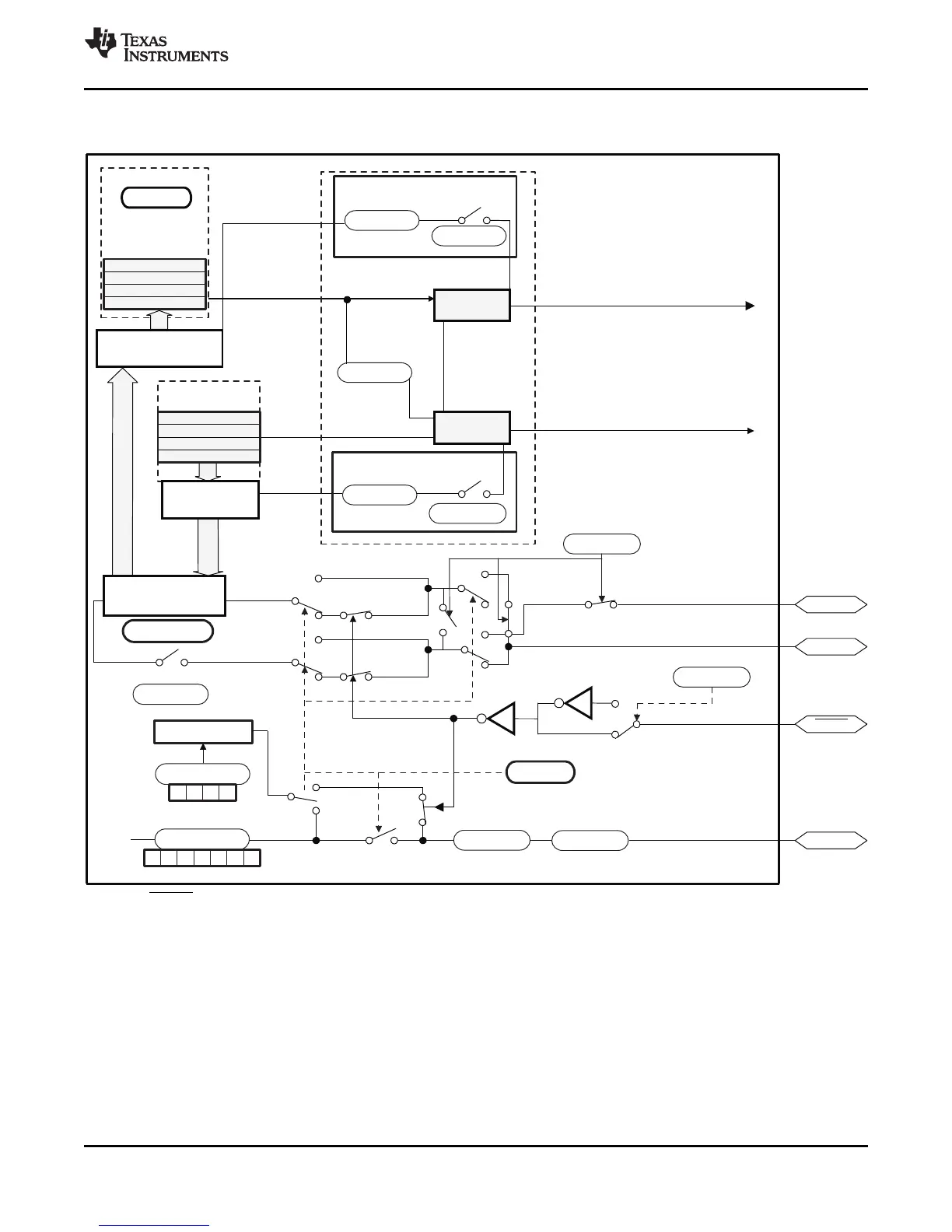
Figure 6-32 is a block diagram of the SPI in slave mode.
A. SPISTE is driven low by the master for a slave device.
Figure 6-32. SPI Module Block Diagram (Slave Mode)

Related product manuals