EasyManua.ls Logo

Thermo Scientific DensityPRO+ - Page 96

Thermo Scientific DensityPRO+
107 pages
Print Icon
To Next Page IconTo Next Page
To Next Page IconTo Next Page
To Previous Page IconTo Previous Page
To Previous Page IconTo Previous Page
Loading...
Drawings
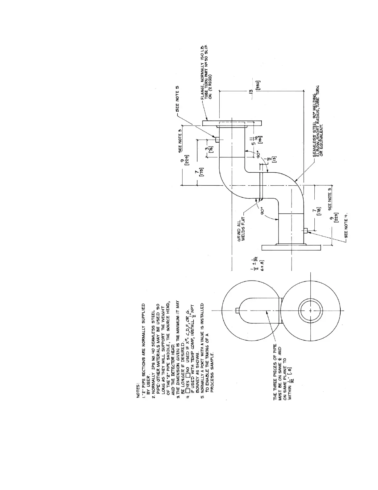
Figure C–39. 864163: Fabrication details, 4” Z-pipe section (sheet 1 of 1)
C-42 DensityPRO+ Installation Guide Thermo Fisher Scientific

Related product manuals