EasyManua.ls Logo

ThermoForma 3771 - Condensing Unit Assembly Component Ident

Default Icon
71 pages
Print Icon
To Next Page IconTo Next Page
To Next Page IconTo Next Page
To Previous Page IconTo Previous Page
To Previous Page IconTo Previous Page
Loading...
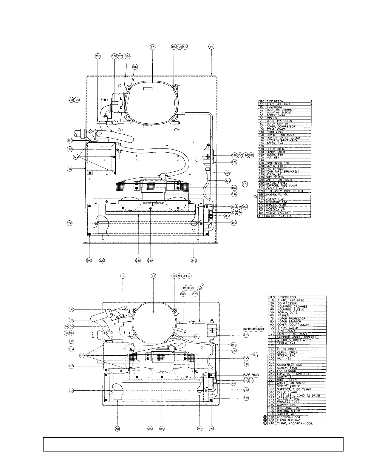
GENERAL INFORMATION 11
CONDENSING UNIT ASSEMBLY Component Identification
Models: 3771 / 3772 / 3785 / 3786 50-0142-*
Models: 3773 / 3774 / 3777 / 3778
50-0141-*