EasyManua.ls Logo

ThinkPad E470 - Page 119

ThinkPad E470
128 pages
Print Icon
To Next Page IconTo Next Page
To Next Page IconTo Next Page
To Previous Page IconTo Previous Page
To Previous Page IconTo Previous Page
Loading...
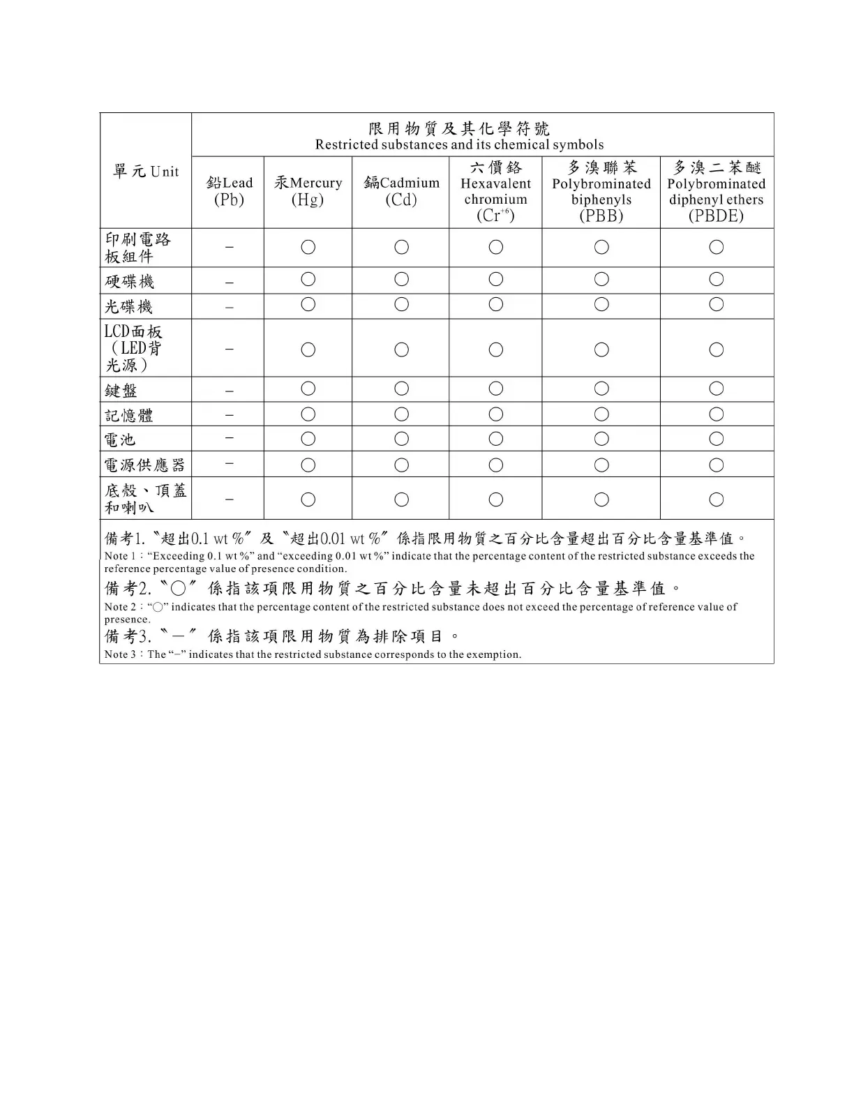
TaiwanRoHS
AppendixC.RestrictionofHazardousSubstances(RoHS)Directive103

Table of Contents

Related product manuals