EasyManua.ls Logo

Thytronic DMC3S - Page 63

Thytronic DMC3S
110 pages
Print Icon
To Next Page IconTo Next Page
To Next Page IconTo Next Page
To Previous Page IconTo Previous Page
To Previous Page IconTo Previous Page
Loading...
63
DMC3S - Manual - 08 - 2021
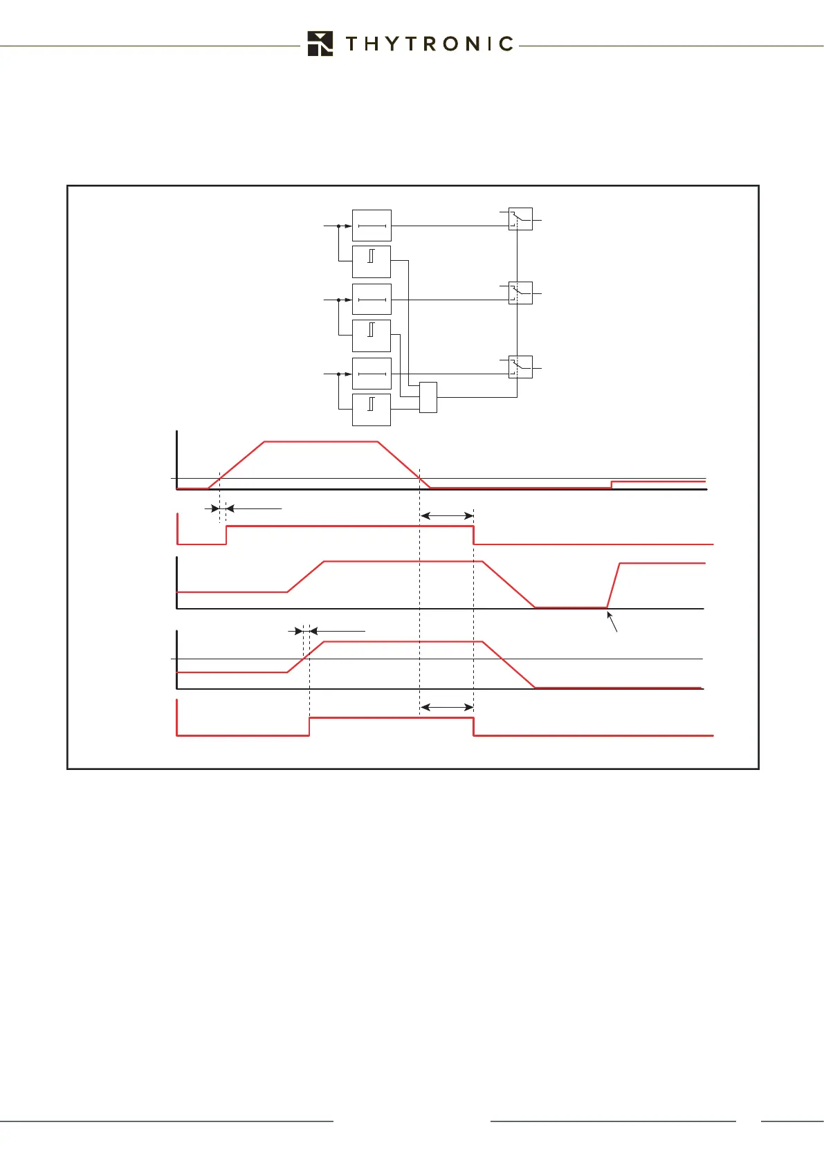
Voltage memory
To increase reliability in all fault conditions, the protection has a voltage memory.
This makes it possible to determine the direction of the current even in case of a fault in the immedi-
ate vicinity of the voltage transformers. In this situation the protection uses a fictitious polarisation
voltage signal which corresponds to the memorised voltage from the cycle preceding the fault.
The memorised voltage is used as a reference for one second after all three phase-to-phase voltag-
es drop to a value of less than 2% U
n
.
Memory-F67.ai
1s
T0
U
12
U
12
1%U
n
&
1s
T0
U
23
1%U
n
1s
T0
U
31
U<
1%U
n
U
23
U
31
Input U
31
Input U
23
Input U
12
U
23
0.01 U
N
Start time
I
L1
I
L1
* cos
I
PD
>
Start
0.02 s
1 s
Voltage reference
(memory voltage)
Memory U
23
Memory U
31
Memory U
12
Memory Timer
Voltage memory - protection 67
Closing on short circuit
1 s (voltage memory)
Example U23, IL1

Table of Contents

Related product manuals