EasyManua.ls Logo

Thytronic DMC3S - Page 84

Thytronic DMC3S
110 pages
Print Icon
To Next Page IconTo Next Page
To Next Page IconTo Next Page
To Previous Page IconTo Previous Page
To Previous Page IconTo Previous Page
Loading...
84
DMC3S - Manual - 08 - 2021
U
VT
<
Fun_74VT.ai
U2
U2 U
2VT
>
74VT-AL-K
74VT-AL-L
74VT-BK-K
74VT-BK-L
“1”
CB CLOSED
I2
I2 I
2VT
>
Max(UL1...UL3)
U
VT
<
Max(IL1...IL3)
I
VT
>
Min(UL1...UL3)
U
VT
<
|IL1(k)-IL1(k-1)|
|IL2(k)-IL2(k-1)|
I
VT
<
|IL3(k)-IL3(k-1)|
&
&
&
&
&
&
&
&
&
S
R
Q
S
R
Q
&
1
1
t
VT-AL
T0
RESET
BLOCK 25/32P/67/67N
ATTIVA 51N(E)
U
2VT
>
I
2VT
>
t
VT-AL
I
VT
>
I
VT
<
I
VT
<
I
VT
<
(ON=1Autoreset enabled)
(ON=1Reset key)
Self-reset 74VT
CB closed
Reset key
Reset ThySetter
Remote Reset
(ON=1remote reset)
(Remote interface reset)
Reset LEDs
74VT Block out
TRIPPING MATRIX
(LED+RELAYS)
ONEnable 74VT
74VT Enable
A
A
B
C
D
E
G
H
E
G
H
D
B
C
Alarm 74VT
Block 74VT
Enable (ONEnable)
Block1 input (ONBlock)
Block1
BLK1 74VT
Block1
Binary input INx
T 0
Logic
INx
t
ON
INx
t
ON
INx
t
OFF
T0
n.o.
n.c.
INx
t
OFF
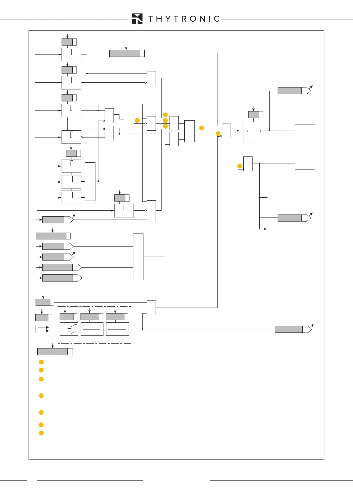
Functional diagram of the VT monitoring function (74VT)
Activates 74VT when one or more phase voltages is lost and no negative sequence current is available (to discriminate disymmetric short circuits).
Activates 74VT when all three phase voltages are lost with e generator under load.
Activates 74VT when all three phase voltage are absent during line power up (VT not connected), and checks that none of the three currents are greater than
IVT>. To not activate 74VT on closing to a polyphase shirt circuit, IVT> must be set to a value lower than ICC (but greater than the maximum load inrush
current). In any case the breaker must be closed, otherwise 74VT activates with the machine stopped.
Inhibits activation of 74VT on polyphase short circuits, by setting the ip-op when the current variation of at least one phase is subject to a pulse
variation. The inhibition of 74VT automatically resets when all three phase voltages return above the threshold and the negative sequence voltage
falls below the threshold.
The activation of 74VT is maintained when at least one of conditions A, B and C is satised. The function 74VT can be reset manually (so long as the
automatic reset conditions in point D are satised) or automatically, if congured to do so by the user.
Activation of 74VT can be inhibited by a block command applied to a digital input.
Activation of 74VT is always reported. The voltage inverse protections can also be blocked, if so congured by the user.

Table of Contents

Related product manuals