EasyManua.ls Logo

Thytronic NC020 - Page 38

Thytronic NC020
86 pages
Print Icon
To Next Page IconTo Next Page
To Next Page IconTo Next Page
To Previous Page IconTo Previous Page
To Previous Page IconTo Previous Page
Loading...
FUNCTION CHARACTERISTICS
38
NC020 - Manual - 05 - 2022
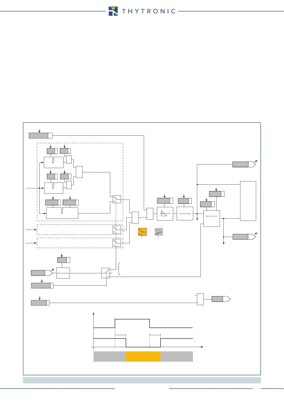
Breaker failure (BF)
The elements (I>) can produce the Breaker Failure output if the Trip I> output is set for BF Enable.
The outputs are available inside the Set \ Breaker failure menu.
[1]
Cold load pickup
If the CLP function (Cold Load Pick-up) is enabled for element blocking, the selected threshold may
be blocked for an adjustable time interval, starting from the circuit breaker closure.
This operating mode may be select by setting ON-Blocking the ICLP> parameter.
If the CLP function (Cold Load Pick-up) is enabled for threshold change, the selected threshold may
be changed for an adjustable time interval, starting from the circuit breaker closure.
This operating mode may be select by setting ON-Changing the ICLP> parameter, whereas the
operating thresholds within the CLP may be adjusted inside the Set \ 50/51 RMS \ I> Element \ I>
Setpoint menu.
For both operating modes the CLP Activation time parameters (tCLP>) may be adjusted inside the
Set \ 50/51 RMS \ I> Element \ I> Setpoint menu.
Note 1 The common settings concerning the Breaker failure protection are adjustable inside the Breaker Failure - BF menu.
Fun_50-51-RMS.ai
I
L1RMS
I
L2RMS
I
L3RMS
t
I
>
RES
T0
RESET
t
I
>
0T
1
1
t
I
>
def
t
I
>
inv
t
I
>
RES
Start I>
Trip I>
CB-State
ONEnable I> overcurrent element
(Pickup within CLP)
(Pickup outside CLP)
&
T 0
t
CLP>
ICLP>Mode
I
CLP
>def
t
CLP
>
I
CLP
>inv
ONEnable
BF Enable
towards BF logic
I> BF
&
Trip I>
TRIPPING MATRIX
(LED+RELAYS)
I> Curve
0T
A
B
C
A =“1”A =“0 or OFF”
Output
t
CLP>
I> Enable
t
CLP>
CB State CB OPEN CB CLOSED CB OPEN
Output t
CLP>
t
0.1 s
HIGH THRESHOLD/
BLOCK
LOW THRESHOLD/
UNBLOCK
HIGH THRESHOLD/
BLOCK
A = ON - Change setting
B = OFF
C = ON - Element blocking
I>TR-K
I>TR-L
I>ST-L
I>ST-K
&
State
I>
inv
I
L1RMS
I>
def
I
L1RMS
I>
inv
I
L1RMS
I
CLP
>
(def/inv)
I>
def
&
State
RMS phase overcurrent (50/51 RMS) - First element logic diagram (I>)

Table of Contents

Related product manuals