EasyManua.ls Logo

Thytronic NC020 - APPENDIX B3 - Connection Diagrams

Thytronic NC020
86 pages
Print Icon
To Next Page IconTo Next Page
To Next Page IconTo Next Page
To Previous Page IconTo Previous Page
To Previous Page IconTo Previous Page
Loading...
APPENDIX
84
NC020 - Manual - 05 - 2022
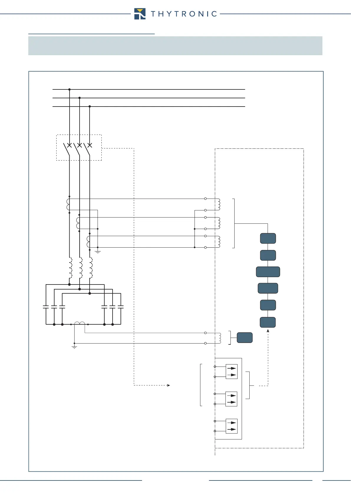
8.6 APPENDIX B3 - Connection diagrams
Note: Some typical connection diagram are shown.
All diagram must be considered just as example; they cannot be comprehensive for real applications.
For all diagrams the output contacts are shown in de-energized state for standard reference.
NC020-SCH.ai
CIrcuit Breaker
Monitoring
Remote Reset
L1
L2
L3
I
N
C7
C8
P2 P1
S1S2
50/51
37
59H
50/51RMS
46N
50BF
CB position
50N/51N
C2
C1
C3
C4
C5
C6
P1
S1
S2
P2
I
L1
I
L2
I
L3
A13
IN1
IN2
IN3
A14
A15
A16
A17
A18
NC020

Table of Contents

Related product manuals