EasyManua.ls Logo

Thytronic NC020 - Control and Monitoring; Circuit Breaker Supervision

Thytronic NC020
86 pages
Print Icon
To Next Page IconTo Next Page
To Next Page IconTo Next Page
To Previous Page IconTo Previous Page
To Previous Page IconTo Previous Page
Loading...
FUNCTION CHARACTERISTICS
49
NC020 - Manual - 05 - 2022
4.5 CONTROL AND MONITORING
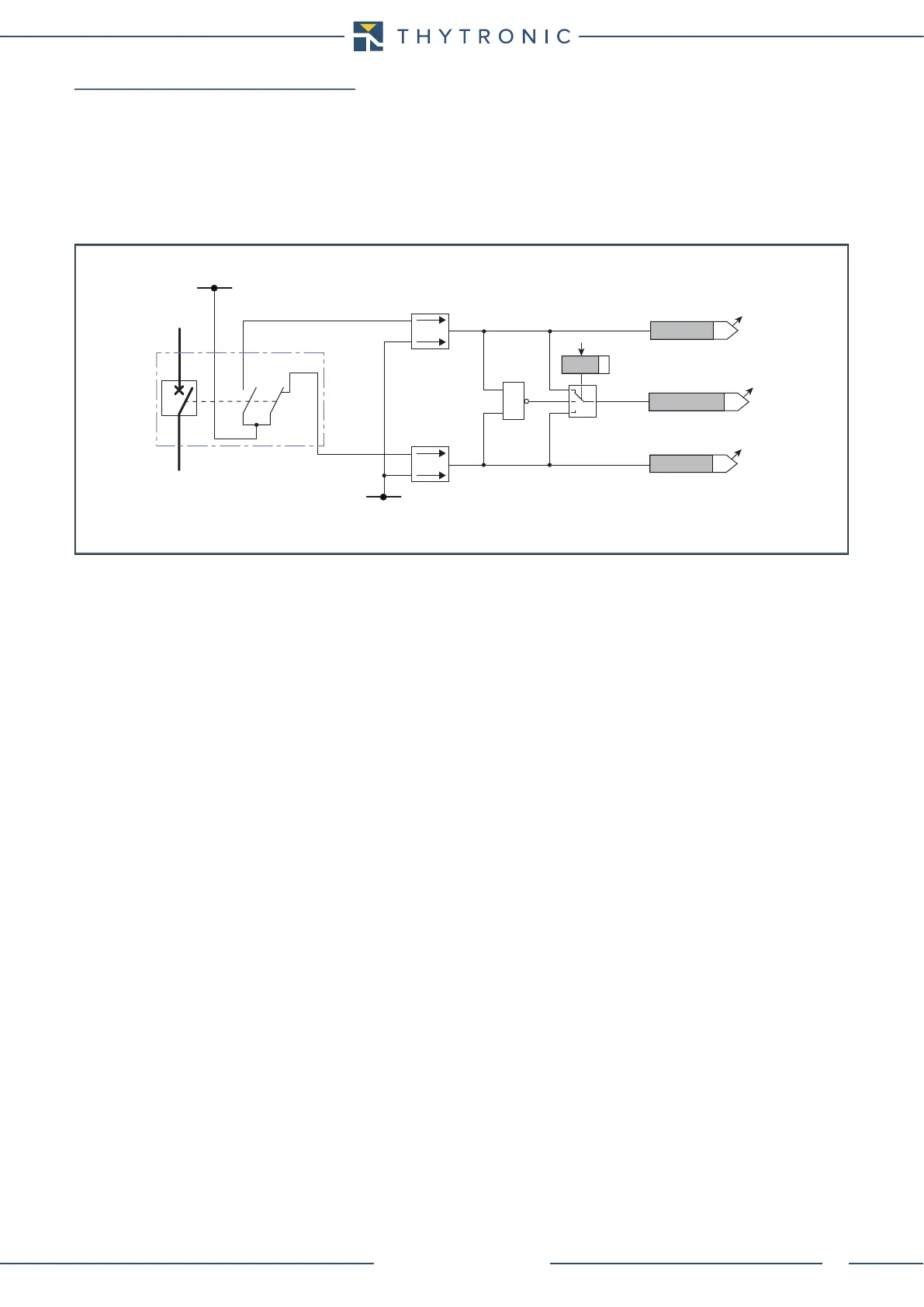
Circuit breaker supervision
Preface
By means 52a and/or 52b auxiliary contacts, the CB position is acquired. Depending on such informa-
tion the Open and/or Close commands can be safely issued by user.
Contacts may be selected by programming the CB check parameter inside the Set \ Circuit break-
er menu.
The wrong congruity of the auxiliary contact is detected in run time mode (52a and 52b), by means
of two binary inputs.
Operation and settings
52a is the auxiliary contact in the breaker that is in the same position as the breaker (52a open = CB
open). It is assigned to the IN2 binary input.
52b is the auxiliary contact in the breaker that is in the opposite position as the breaker (52b open =
CB closed). It is assigned to the IN1 binary input.
Fun-CB-position.ai
52a ON/OFF
CB
check
CB monitoring
52b ON/OFF
52a
52
52b
+UAUX
-UAUX
IN2
IN1
=1
Logic diagram concerning the Circuit Breaker monitoring

Table of Contents

Related product manuals